Page top

Industrial Automation

Industrial Automation

Discontinued On Dec. 2023

Z4W-V

LED Displacement Sensor

Z4W-V

Low-cost Displacement Sensor with 10-micron Resolution with Red LED

* Information in this page is a reference that you created on the basis of information in the product catalog before the end of production, may be different from the current situation, such as goods for / supported standards options / price / features of the product. Before using, please check the compatibility and safety system.

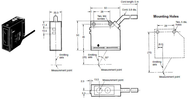
(Unit: mm)

Z4W-V25R

Z4W-V Dimensions 1

With Mounting Bracket 1

Z4W-V Dimensions 2

*   A mounting bracket can be attached to this face of the sensor.
** This distance can be extended up to 44.5 mm. When this distance is 44.5 mm in length, the angle of the optical axis
      can be adjusted after mounting by approximately ±5 max.

With Mounting Bracket 2

Z4W-V Dimensions 3

* A mounting bracket can be attached to this face of the sensor.