Page top

Industrial Automation

Industrial Automation

S8T-DCBU-02

Buffer Block

S8T-DCBU-02

Prevents Equipment Stoppage, Data Loss,and Other Problems Resulting from Momentary Power Failures

(Unit: mm)

Buffer Block and Bus Line Connector

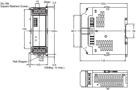
Buffer Block

S8T-DCBU-02

S8T-DCBU-02 Dimensions 3

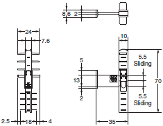
Bus Line Connector

S8T-BUS03

S8T-DCBU-02 Dimensions 5

DIN Rails (Order Separately)

Mounting Rails (Material: Aluminum)

PFP-100N
PFP-50N

S8T-DCBU-02 Dimensions 8

PFP-100N2

S8T-DCBU-02 Dimensions 9

End Plate

PFP-M

S8T-DCBU-02 Dimensions 11