Page top

Industrial Automation

Industrial Automation

G2R-[]-S (S)

General-purpose Relay

G2R-[]-S (S)

Slim and Space-saving Power Plug-in Relay

(Unit: mm)

SPDT Relays

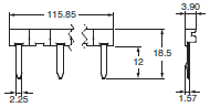
G2R-1-S (S), G2R-1-SN (S), G2R-1-SNI (S)
G2R-1-SD (S), G2R-1-SND (S), G2R-1-SNDI (S)

G2R-[]-S (S) Dimensions 1 G2R-1-S_Dim

DPDT Relays

G2R-2-S (S), G2R-2-SN (S), G2R-2-SNI (S)
G2R-2-SD (S), G2R-2-SND (S), G2R-2-SNDI (S)

G2R-[]-S (S) Dimensions 2 G2R-2-S_Dim

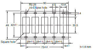
Track/Surface Mounting Sockets

P2RF-05-PU

G2R-[]-S (S) Dimensions 3

P2RF-08-PU

G2R-[]-S (S) Dimensions 4

Accessories for P2RF-[]-PU

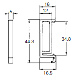
Short Bars

PYDN-7.75-[][] (7.75 mm)

G2R-[]-S (S) Dimensions 6

PYDN-15.5-080[] (15.5 mm)

G2R-[]-S (S) Dimensions 7
G2R-[]-S (S) Dimensions 8

P2RFZ-05-E

G2R-[]-S (S) Dimensions 9

P2RFZ-08-E

G2R-[]-S (S) Dimensions 10

P2RFZ-05

G2R-[]-S (S) Dimensions 11

P2RFZ-08

G2R-[]-S (S) Dimensions 12

Mounting Height of Relay with Track/Surface Mounting Sockets

G2R-[]-S (S) Dimensions 13

*These are values when using the DIN track PFP-[]N.
Heights become higher by approximately 9 mm when using PFP-[]N2.

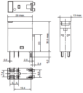
Back-connecting Sockets

P2R-05P (1-pole)

G2R-[]-S (S) Dimensions 14

P2R-08P (2-pole)

G2R-[]-S (S) Dimensions 15

P2R-05A (1-pole)

G2R-[]-S (S) Dimensions 16
G2R-[]-S (S) Dimensions 17

P2R-08A (2-pole)

G2R-[]-S (S) Dimensions 18
G2R-[]-S (S) Dimensions 19

P2R-057P (1-pole)

G2R-[]-S (S) Dimensions 20

P2R-087P (2-pole)

G2R-[]-S (S) Dimensions 21

Mounting Height of Relay with Back-connecting Sockets

P2R-[]P

G2R-[]-S (S) Dimensions 22

P2R-[]A

G2R-[]-S (S) Dimensions 23

P2R-[]7P

G2R-[]-S (S) Dimensions 24

Mounting Tracks

PFP-100N, PFP-50N

G2R-[]-S (S) Dimensions 26

It is recommended to use a panel 1.6 to 2.0 mm thick.

PFP-100N2

G2R-[]-S (S) Dimensions 27

End Plate

PFP-M

G2R-[]-S (S) Dimensions 28

Spacer

PFP-S

G2R-[]-S (S) Dimensions 29

Mounting Plate

P2R-P

G2R-[]-S (S) Dimensions 30