Page top

Industrial Automation

Industrial Automation

EJ1

Modular Temperature Controller

EJ1

Implement a Multi-Point Control System Easily with Space Saving and Wire Saving by Connecting Modules

(Unit: mm)

Temperature Controller

Basic Units

EJ1N-TC

EJ1 Dimensions 2

End Units

EJ1C-EDU

EJ1 Dimensions 3

Options

Current Transformer (Sold Separately)

E54-CT1

EJ1 Dimensions 6

E54-CT1L

EJ1 Dimensions 7

E54-CT3

EJ1 Dimensions 8

E54-CT3L

EJ1 Dimensions 9

Rail Mounting Equipment (Order Separately)

DIN Track

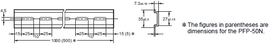
PFP-100N
PFP-50N

EJ1 Dimensions 11

End Plate

PFP-M

EJ1 Dimensions 12