Page top

Industrial Automation

Industrial Automation

ZN-A

Air Clean Units

ZN-A

The ZN series is even thinner and sports improved air volume. These products enable cleaning that is both fast and flexible.

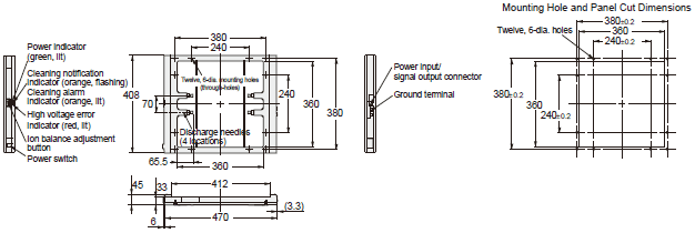
(Unit: mm)

Tolerance class IT16 applies to dimensions in this data sheet unless otherwise specified.

Air Clean Units

ZN-A2502D

ZN-A Dimensions 3

ZN-A4105D

ZN-A Dimensions 4

ZN-A6112/A6112P

ZN-A Dimensions 5

Ionizers

ZN-J25A

ZN-A Dimensions 7

ZN-J41A

ZN-A Dimensions 8