Page top

Industrial Automation

Industrial Automation

MK-S

General-purpose Relays

MK-S

New Super MK Relays. Models with Latching Lever Added to the Series.

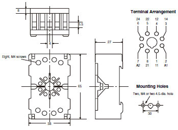
(Unit: mm)

Models without Latching Lever

MK-S Dimensions 1

Models with Latching Lever

MK-S Dimensions 2

Sockets

See below for Socket dimensions.

MK-S Dimensions 4

Note: Use the Surface-mounting Sockets (i.e., finger-protection models) with "-E" at the end of the model number. When
          using the PF083A and PF113A, be sure not to exceed the Socket's maximum carry current of 5 A. Using at a current
          exceeding 5 A may lead to burning. Round terminals cannot be used for finger-protection models. Use Y-shaped
          terminals.

PF083A-E (Conforming to EN 50022)

MK-S Dimensions 5

PF113A-E (Conforming to EN 50022)

MK-S Dimensions 6

PF083A-D

MK-S Dimensions 7

PF113A-D

MK-S Dimensions 8

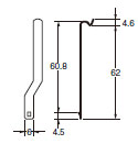
Hold-down Clips

PFC-A1
(2 pieces per set)

MK-S Dimensions 10

Mounting Tracks

PFP-100N, PFP-50N
(Conforming to EN 50022)

MK-S Dimensions 12

PFP-100N2
(Conforming to EN 50022)

MK-S Dimensions 13

Mounting Height with Sockets

Surface-mounting Sockets

MK-S Dimensions 15

Note: PF083A(-E) and PF113A(-E) allow either track or screw mounting.