Page top

Industrial Automation

Industrial Automation

R88M-G, R7D-BP

AC Servomotors and SMARTSTEP 2-series Servo Drives with Pulse String Inputs

R88M-G, R7D-BP

Advanced Functionality in a Super Compact Design.

(Unit: mm)

Servo Drives

50 W/100 W/200 W
R7D-BPA5L
R7D-BP01L
R7D-BP01H
R7D-BP02H

R88M-G, R7D-BP Dimensions 2

200 W/400 W
R7D-BP02L
R7D-BP02HH
R7D-BP04H

R88M-G, R7D-BP Dimensions 3

Servomotors

3,000-r/min Cylindrical Servomotors

50 W/100 W
[Without brake]
R88M-G05030H (-S2), R88M-G10030L (-S2), R88M-G10030H (-S2)
[With brake]
R88M-G05030H (-S2), R88M-G10030L (-S2), R88M-G10030H (-S2)

R88M-G, R7D-BP Dimensions 6

200 W/400 W
[Without brake]
R88M-G20030L (-S2), R88M-G20030H (-S2), R88M-G40030H (-S2)
[With brake]
R88M-G20030L-B (S2), R88M-G20030H-B (S2), R88M-G40030H-B (S2)

R88M-G, R7D-BP Dimensions 7

3,000-r/min Flat Servomotors

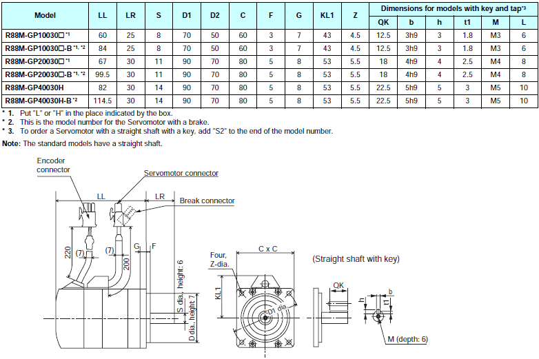
100 W/200 W/400 W
[Without brake]
R88M-GP10030L (-S2), R88M-GP10030H (-S2), R88M-GP20030L (-S2)
R88M-GP20030H (-S2), R88M-GP40030H (-S2)
[With brake]
R88M-GP10030L-B (S2), R88M-GP10030H-B (S2), R88M-GP20030L-B (S2)
R88M-GP20030H-B (S2), R88M-GP40030H-B (S2)

R88M-G, R7D-BP Dimensions 9

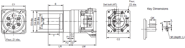
Decelerators

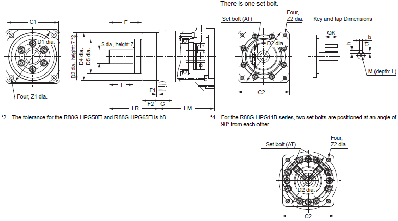
Backlash: 3 Arcminutes Max.

<Cylinder Type>

3,000-r/min servomotors (50 to 400 W)

R88M-G, R7D-BP Dimensions 12

Outline Drawings 1

R88M-G, R7D-BP Dimensions 13

Outline Drawings 2

R88M-G, R7D-BP Dimensions 14

<Flat Servomotors>

3,000-r/min servomotors (100 to 400 W)

R88M-G, R7D-BP Dimensions 15

Outline Drawings

R88M-G, R7D-BP Dimensions 16

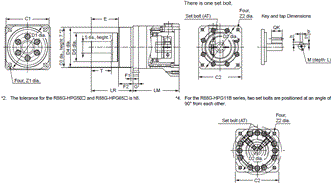
Backlash: 15 Arcminutes Max.

<Cylinder Type>

3,000-r/min servomotors (50 to 400 W)

R88M-G, R7D-BP Dimensions 18

Outline Drawings

R88M-G, R7D-BP Dimensions 19
R88M-G, R7D-BP Dimensions 20

<Flat Servomotors>

3,000-r/min servomotors (100 to 400 W)

R88M-G, R7D-BP Dimensions 21

Outline Drawings

R88M-G, R7D-BP Dimensions 22
R88M-G, R7D-BP Dimensions 23

Parameter Unit

R88A-PR02G

R88M-G, R7D-BP Dimensions 25

DIN Rail Mounting Unit

R7A-DIN01B

R88M-G, R7D-BP Dimensions 27

External Regeneration Resistor

R88A-RR22047S1

R88M-G, R7D-BP Dimensions 29

R88A-RR08050S
R88A-RR080100S

R88M-G, R7D-BP Dimensions 30

Reactor

3G3AX-DL2002
3G3AX-DL2004

R88M-G, R7D-BP Dimensions 32

3G3AX-DL2007

R88M-G, R7D-BP Dimensions 33

3G3AX-AL2025

R88M-G, R7D-BP Dimensions 34