Page top

Industrial Automation

Industrial Automation

61F-G[]N

Floatless Level Switch (Compact Type)

61F-G[]N

Improved Design for a More Lightweight Construction and Reduced Standby Power Consumption.

Standard Models

Type General-purpose
Controllers
61F-[]N
Long-distance
Controllers
61F-[]NL 2KM (2 km)
61F-[]NL 4KM (4 km)
High-sensitivity
Controllers
61F-[]NH
Controlling materials and
operating conditions
For control of ordinary
purified water and
wastewater
For control of ordinary
purified water and
wastewater. Particularly in
cases where the distance
between the pumps and
water tanks or between
supply and receiver tanks
are far apart or where
remote control is required.
For control of liquids with
high specific resistance,
such as distilled water
Rated voltage 100/200, 110/220 or 120/240 VAC, 50/60 Hz (both supported on same model)
Allowable voltage
fluctuation range
85% to 110% of rated voltage
Inter-electrode voltage 8 VAC
Inter-electrode current Approx. 1 mA AC max.
Power consumption GN[]: 3 VA max., G1N[], G2N[], IN[]: 4 VA max., G3N[]: 5.5 VA max., G4N[]: 8.5 VA max.
Inter-electrode operation
resistance
(recommended values)
0 to approx. 4 kΩ 0 to 1.8 kΩ (for 2 km)
0 to 0.7 kΩ (for 4 km)
Approx. 10 kΩ to 40 kΩ
*4
Inter-electrode release
resistance
(recommended values)
Approx. 15 k to ∞Ω 4 k to ∞Ω (for 2 km)
2.5 k to ∞Ω (for 4 km)
Approx. 100 k to ∞Ω
Cable length *2 1 km max. 2 km max.
4 km max.
50 m max.
Output 3 A, 200 VAC (Resistive load)
Ambient operating
temperature
- 10 to 55 °C
Ambient operating humidity 45% to 85%
Insulation resistance *3 100 MΩ min. (at 500 VDC)
Dielectric strength *3 2,000 VAC, 50/60 Hz for 1 min.
Life expectancy Electrical: 250,000 operations min.
Mechanical: 10,000,000 operations min.
Weight GN models: 315 g; G1N, G2N, IN models: 410 g; G3N models: 625g; G4N models: 870 g
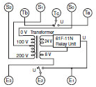
Internal Circuit Diagrams Example: 61F-GN
243_sp_1_1
Example: 61F-GNL
243_sp_1_2
Example: 61F-GNH
243_sp_1_3

*1. The [] in the model name represents G, G1, G2, G3, G4, or I.
*2. The length when using completely insulated, 600-V, 3-core (0.75 mm2) cabtire cables. Usable cable lengths will
       become shorter as the cable diameter or number of cores becomes larger due to increased floating capacity. For
       details, refer to Safety Precautions for Floatless Level Controllers.
*3. The insulation resistance and dielectric strength are the values between power terminals and Electrode terminals,
       between power terminals and contact terminals, and between Electrode terminals and contact terminals. For details,
       refer to Safety Precautions for Floatless Level Controllers.
*4. Application is possible with 10 kΩ or less, however, this may cause reset failures.

Type Low-sensitivity Controllers
61F-[]ND
Two-wire Controllers
61F-[]NR
Controlling materials and
operating conditions
For control of liquids with low specific
resistance, such as salt water,
wastewater, acid chemicals, or alkaline
chemicals
For control of ordinary purified water or
wastewater. Used with a Two-wire
Electrode Holder (incorporating a
resistor of 6.8 k )
Rated voltage 100/200, 110/220 or 120/240 VAC, 50/60 Hz (supported by the same model)
Allowable Voltage Fluctuation 85% to 110% of rated voltage
Inter-electrode voltage 8 VAC
Inter-electrode current Approx. 1 mA AC max.
Power consumption GN[]: 3 VA max., G1N[], G2N[], IN[]: 4 VA max., G3N[]: 5.5 VA max.,
G4N[]: 8.5 VA max.
Inter-electrode operation
resistance
(recommended values)
0 to approx. 1.8 k Approx. 0 to 1.1 k
Inter-electrode release
resistance
(recommended values)
Approx. 5 k to 0% Approx. 15 k to 0%
Cable length *2 1 km max. 800 m max.
Output 3 A, 200 VAC (Resistive load)
Ambient operating temperature - 10 to 55 °C
Ambient operating humidity 45% to 85%
Insulation resistance *3 100 MΩ min. (at 500 VDC)
Dielectric strength *3 2,000 VAC, 50/60 Hz for 1 min.
Life expectancy Electrical: 250,000 operations min.
Mechanical: 10,000,000 operations min.
Weight GN models: 315 g; G1N, G2N, IN models: 410 g; G3N models: 625g;
G4N models: 870 g
Internal Circuit Diagrams Example: 61F-GND
243_sp_2_1
Example: 61F-GNR
243_sp_2_2

*1. The [] in the model name represents G, G1, G2, G3, G4, or I.
*2. The length when using completely insulated, 600-V, 3-core (0.75 mm2) cabtire cables. Usable cable lengths will
       become shorter as the cable diameter or number of cores becomes larger due to increased floating capacity. For
       details, refer to Safety Precautions for Floatless Level Controllers.
*3. The insulation resistance and dielectric strength are the values between power terminals and Electrode terminals,
       between power terminals and contact terminals, and between Electrode terminals and contact terminals. For details,
       refer to Safety Precautions for Floatless Level Controllers.
*4. Application is possible with 10 kΩ or less, however, this may cause reset failures.