Page top

Industrial Automation

Industrial Automation

F03-[]

Electrodes and Accessories

F03-[]

A Wide Variety of Electrodes for Long Lasting Reliability

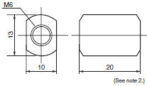
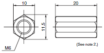
(Unit: mm)

Electrode

F03-01

F03-[] Dimensions 2

Lock Nut

F03-03
SUS304
SUS316
Titanium

F03-[] Dimensions 4

F03-03
HAS B
HAS C

F03-[] Dimensions 5

Connecting nut

F03-02
SUS304
SUS316

F03-[] Dimensions 7

F03-02
HAS B
HAS C

F03-[] Dimensions 8

F03-02
Titanium

F03-[] Dimensions 9

Note: 1. Dimension when mounting Electrodes.
           2. Clamp screws are not provided for HAS B, HAS C, or titanium models. F03-03 Lock Nuts are used to
                 mount Electrodes.