Page top

Industrial Automation

Industrial Automation

EE-SPX303N / SPX403N

Broad Slot-type Photomicrosensor

EE-SPX303N / SPX403N

A Wide Slot Width of 13 mm and Superior Resistance to Light Interference and Noise.

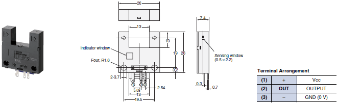
(Unit: mm)

Tolerance class IT16 applies to dimensions in this datasheet unless otherwise specified.

EE-SPX303N, EE-SPX403N

EE-SPX303N / SPX403N Dimensions 2