Page top

Industrial Automation

Industrial Automation

E3X-SD / NA

Simple Fiber Amplifier Unit

E3X-SD / NA

Simple and Affordable Fiber Amplifier Units

(Unit: mm)

Fiber Amplifier Units

Amplifier Units with Cables
E3X-SD21, E3X-SD51
E3X-NA11, E3X-NA11F
E3X-NA41, E3X-NA41F

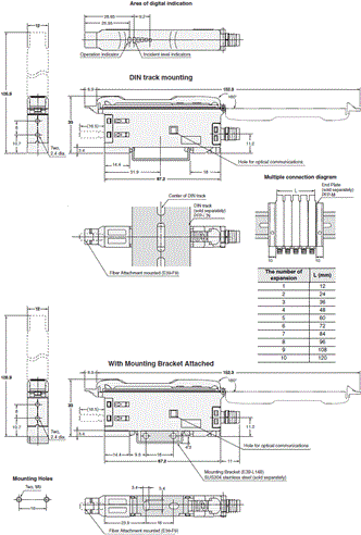
E3X-SD / NA Dimensions 2

* There is no hole for E3X-NA[]F models.

Note: When using E39-L143 Mounting Brackets, there will be small gaps between the Fiber Amplifier Units if they are
          mounted side by side.

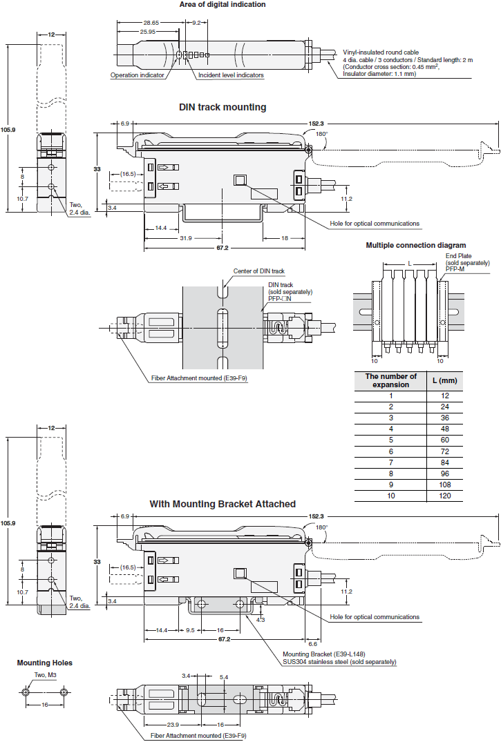
Amplifier Units with Connectors
E3X-SD7, E3X-SD9
E3X-NA6, E3X-NA8

E3X-SD / NA Dimensions 3

Note: When using E39-L143 Mounting Brackets, there will be small gaps between the Fiber Amplifier Units if they are
          mounted side by side.

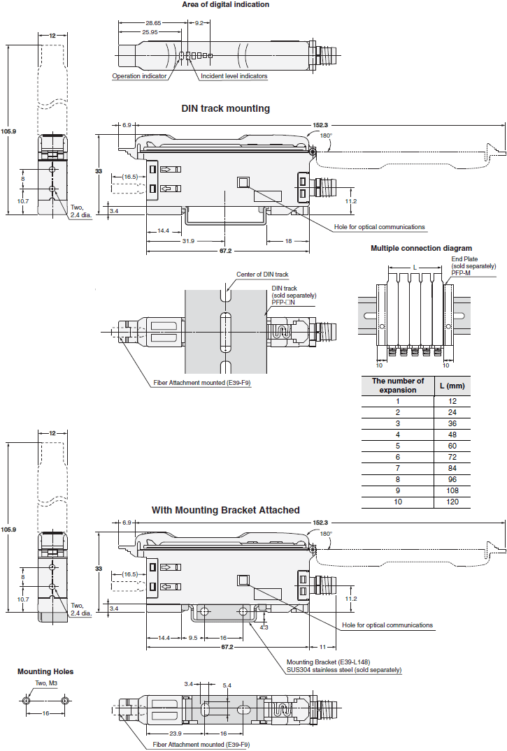
Amplifier Units with Cables, Water-resistant Models
E3X-NA11V
E3X-NA41V

E3X-SD / NA Dimensions 4

Amplifier Units with Connectors, Water-resistant Models
E3X-NA14V
E3X-NA44V

E3X-SD / NA Dimensions 5

Amplifier Unit Connectors (Wire-saving Connectors)

Master Connector
E3X-CN11

E3X-SD / NA Dimensions 7

* E3X-CN11: 4 dia. cable/3 conductors/Standard length: 2 m (Conductor cross section: 0.2 mm2 (AWG24), Insulator
    diameter: 1.1 mm)

Slave Connector
E3X-CN12

E3X-SD / NA Dimensions 8

* E3X-CN12: 2.6 dia. cable/1 conductor/Standard length: 2 m (Conductor cross section: 0.2 mm2 (AWG24), Insulator
    diameter: 1.1 mm)

Accessories (sold separately)

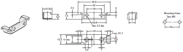
Mounting Brackets
E39-L143

E3X-SD / NA Dimensions 10

Material: Stainless steel (SUS304)

End Plates
PFP-M

E3X-SD / NA Dimensions 11