Page top

Industrial Automation

Industrial Automation

OS32C

Safety Laser Scanner

OS32C

Compact (104.5 mm), lightweight (1.3 kg) and easy-to-install Safety Laser Scanner

(Unit: mm)

OS32C with Back Location Cable Entry/with EtherNet/IP and Back Location Cable Entry

OS32C-BP
OS32C-BP-DM
OS32C-BP-4M
OS32C-BP-DM-4M

OS32C Dimensions 1

OS32C with Side Location Cable Entry/with EtherNet/IP and Side Location Cable Entry

OS32C-SP1
OS32C-SP1-DM
OS32C-SP1-4M
OS32C-SP1-DM-4M

OS32C Dimensions 2

OS32C with Top Guard Kit

OS32C-BP/OS32C-BP-DM/OS32C-BP-4M/OS32C-BP-DM-4M + OS32C-BKT4

OS32C Dimensions 3

OS32C with Bottom/Side Mounting Brackets

OS32C-BP/OS32C-BP-DM/OS32C-BP-4M/OS32C-BP-DM-4M + OS32C-BKT1

OS32C Dimensions 4

OS32C with Simple Mounting Bracket

OS32C-BP/OS32C-BP-DM/OS32C-BP-4M/OS32C-BP-DM-4M + OS32C-BKT3

OS32C Dimensions 5

OS32C with Bottom/Side Mounting Brackets and Top Guard Kit

OS32C-BP/OS32C-BP-DM/OS32C-BP-4M/OS32C-BP-DM-4M + OS32C-BKT1 + OS32C-BKT4

OS32C Dimensions 6

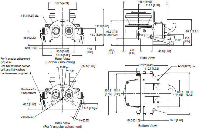
OS32C with Bottom/Side Mounting Brackets and XY Axis Rotation Mounting Kit

OS32C-BP/OS32C-BP-DM/OS32C-BP-4M/OS32C-BP-DM-4M + OS32C-BKT1 + OS32C-BKT2

OS32C Dimensions 7

* In order to comply with Section 4.2.16 of IEC 61496-3, when the OS32C is mounted where the scanner position could
    change (e.g. as the result of an impact), additional mechanical means, such as serrated or toothed lock washers,
    must be employed in the mounting hardware.

OS32C with Bottom/Side Mounting Brackets, XY Axis Rotation Mounting Kit and Top Guard Kit

OS32C-BP/OS32C-BP-DM/OS32C-BP-4M/OS32C-BP-DM-4M + OS32C-BKT1 + OC32C-BKT2 + OS32C-BKT4

OS32C Dimensions 9

* In order to comply with Section 4.2.16 of IEC 61496-3, when the OS32C is mounted where the scanner position could
    change (e.g. as the result of an impact), additional mechanical means, such as serrated or toothed lock washers,
    must be employed in the mounting hardware.

OS32C with Bottom/Side Mounting Brackets, XY Axis Rotation Mounting Kit, Mounting Stand and Mounting Stand Hardware Kit

OS32C-SP1/OS32C-SP1-DM/OS32C-BP-4M/OS32C-BP-DM-4M + OS32C-BKT1 + OS32C-BKT2 + OS32C-MT + OS32C-HDT

OS32C Dimensions 11

Power Cable

OS32C-CBL-[][]M

OS32C Dimensions 12

Ethernet Cable

OS32C-ECBL-[][]M

OS32C Dimensions 13