Page top

Industrial Automation

Industrial Automation

G3S / G3SD

Solid State Relays

G3S / G3SD

Ultra-small Relay Breaks up to 1 A

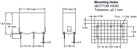
(Unit: mm)

G3S
G3SD

G3S / G3SD Dimensions 1

Connecting Socket

G6B-04P

G3S / G3SD Dimensions 3

Heat Sink
Y92B-S08N

G3S / G3SD Dimensions 4