Page top

Industrial Automation

Industrial Automation

X

General-purpose Basic Switch

X

Direct Current Switch with Built-in Magnetic Blowout

(Unit: mm)

Terminals

Screw Terminals (-B) (X-10GW[])

X Dimensions 2

Solder Terminal (-A)

("-A" is not included in the model numbers.)

X Dimensions 3

Note: 1. Tighten the terminal screws to a torque of 0.78 to 1.18 Nm.
           2. Unless otherwise specified, a tolerance of ±0.4 mm applies to all dimensions.
           3. In case of DC voltage, set the COM to the positive terminal.
           4.Terminal notation:
               With reverse-type models (X-10GM[]), the normally closed (NC) circuit and normally open (NO) circuit are reversed.

X Dimensions 5

Mounting

Use M4 mounting screws with plane washers or spring washers to securely mount the Switch. Tighten the screws to a torque of 1.18 to 1.47 Nm.

X Dimensions 7

The Switch can be panel mounted, provided that the hexagonal nut of the actuator is tightened to a torque of 2.94 to 4.9 Nm.

X Dimensions 8

The models, illustrations, and graphics are for screw-terminal models. (The dimensions for models that are omitted here are the same as for pin-plunger models.)

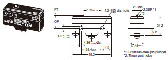
Pin Plunger
X-10G-B

X Dimensions 10

Slim Spring Plunger
X-10GS-B

X Dimensions 11

Short Spring Plunger
X-10GD-B

X Dimensions 12

Panel Mount Plunger
X-10GQ-B

X Dimensions 13

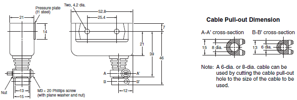
Note: Do not use both the M12 mounting screw and the mounting holes in the case at the same time. Doing so will cause
           stress to be applied to the Switch, possibly damaging the case or cover.

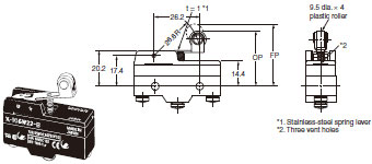
Panel Mount Roller Plunger
X-10GQ22-B

X Dimensions 14

Note: Do not use both the M12 mounting screw and the mounting holes in the case at the same time. Doing so will cause
           stress to be applied to the Switch, possibly damaging the case or cover.

Panel Mount Cross Roller Plunger
X-10GQ21-B

X Dimensions 15

Note: Do not use both the M12 mounting screw and the mounting holes in the case at the same time. Doing so will cause
           stress to be applied to the Switch, possibly damaging the case or cover.

Leaf Spring
X-10GL-B

X Dimensions 16

Note: Unless otherwise specified, a tolerance of ±0.4 mm applies to all dimensions.

X Dimensions 18

* Be sure to use the switch at the rated OT value of 1.6 mm.

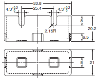
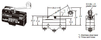
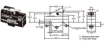
Short Hinge Lever
X-10GW21-B

X Dimensions 19

Hinge Lever
X-10GW-B

X Dimensions 20

Low-force Hinge Lever
X-10GW4-B

X Dimensions 21

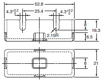
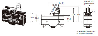
Short Hinge Roller Lever
X-10GW22-B

X Dimensions 22

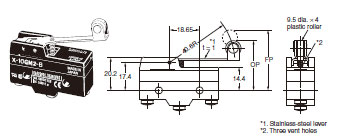
Hinge Roller Lever
X-10GW2-B

X Dimensions 23

Reverse Hinge Lever
X-10GM-B

X Dimensions 24

Reverse Short Hinge Lever
X-10GM22-B

X Dimensions 25

Reverse Hinge Roller Lever
X-10GM2-B

X Dimensions 26

Note: Unless otherwise specified, a tolerance of ±0.4 mm applies to all dimensions.

X Dimensions 28

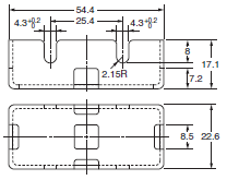
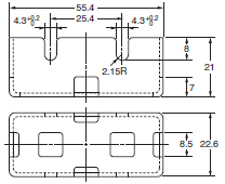
Terminal Covers

AP-A

Soldering Terminal Use (Phenol Resin)

X Dimensions 31

Note: The Cover has five thin, easy-to-separate portions for easy lead wire connections.

AP-B

Screw Terminal Use (Phenol Resin)

X Dimensions 33

Note: The Cover has six thin, easy-to-separate portions for easy lead wire connections.

AP1-A

Soldering Terminal Use (Metal Press Mold)

X Dimensions 35

Note: The Cover has five holes for easy lead wire connections.

AP1-B

Screw Terminal Use (Metal Press Mold)

X Dimensions 37

Note: The Cover has six holes for easy lead wire connections.

AP-Z

Soldering or Screw Terminal Use (Vinyl Chloride)

X Dimensions 38

Note: Each dimension has a tolerance of ±0.4 mm unless otherwise specified. (±0.8 mm for the AP-Z)

Separator

SEPARATOR FOR Z

X Dimensions 41

Note: 1. Each dimension has a tolerance of ±0.4 mm unless otherwise specified.
          2. The material is EAVTC (Epoxide Alkyd Varnished Tetron Cloth) and its heat-resisting temperature is 130°C.

Actuators

Hinge Lever
XAA-1

X Dimensions 43

Hinge Roller Lever
ZAA-2

X Dimensions 44

Short Panel Mount Plunger
ZAQ-3

X Dimensions 45

Medium Panel Mount Plunger
ZAQ-2

X Dimensions 46

Long Panel Mount Plunger
ZAQ-1

X Dimensions 47

Panel Mount Roller Plunger
ZAQ-22

X Dimensions 48

Note: Each dimension has a tolerance of ±0.4 mm unless otherwise specified.