Page top

Industrial Automation

Industrial Automation

DZ

Special-purpose Basic Switch

DZ

DPDT Basic Switch for Two Independent Circuit Control

(Unit: mm)

Terminals

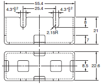
Solder Terminals (-1A)

DZ Dimensions 2

Screw Terminals (-1B)

DZ Dimensions 3

The solder terminal model has a suffix "-1A" in its model number and its omitted dimensions are the same as the corresponding dimensions of the pin plunger model.

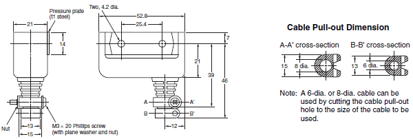
Pin Plunger
DZ-10G-1B

DZ Dimensions 5

* Stainless-steel pin plunger

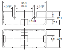
Hinge Lever

DZ-10GW-1B

DZ Dimensions 7

* Stainless-steel lever

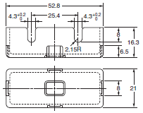
DZ-10GV-1B

DZ Dimensions 8

* Stainless-steel lever

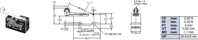
Short Hinge Roller Lever

DZ-10GW22-1B

DZ Dimensions 10

* Stainless-steel lever

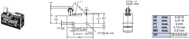
DZ-10GV22-1B

DZ Dimensions 11

* Stainless-steel lever

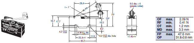
Hinge Roller Lever

DZ-10GW2-1B

DZ Dimensions 13

* Stainless-steel lever

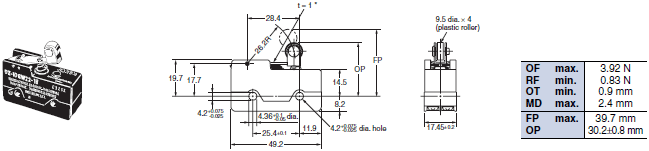
DZ-10GV2-1B

DZ Dimensions 14

* Stainless-steel lever

Note: Unless otherwise specified, a tolerance of ±0.4 mm applies to all dimensions.

Terminal Covers

AP-A

Soldering Terminal Use (Phenol Resin)

DZ Dimensions 18

Note: The Cover has five thin, easy-to-separate portions for easy lead wire connections.

AP-B

Screw Terminal Use (Phenol Resin)

DZ Dimensions 20

Note: The Cover has six thin, easy-to-separate portions for easy lead wire connections.

AP1-A

Soldering Terminal Use (Metal Press Mold)

DZ Dimensions 22

Note: The Cover has five holes for easy lead wire connections.

AP1-B

Screw Terminal Use (Metal Press Mold)

DZ Dimensions 24

Note: The Cover has six holes for easy lead wire connections.

AP-Z

Soldering or Screw Terminal Use (Vinyl Chloride)

DZ Dimensions 25

Note: Each dimension has a tolerance of ±0.4 mm unless otherwise specified. (±0.8 mm for the AP-Z)

Separator

SEPARATOR FOR Z

DZ Dimensions 28

Note: 1. Each dimension has a tolerance of ±0.4 mm unless otherwise specified.
          2. The material is EAVTC (Epoxide Alkyd Varnished Tetron Cloth) and its heat-resisting temperature is 130°C.

Actuators (Sold Separately)

Hinge Lever
XAA-1

DZ Dimensions 30

Hinge Roller Lever
ZAA-2

DZ Dimensions 31

Short Panel Mount Plunger
ZAQ-3

DZ Dimensions 32

Medium Panel Mount Plunger
ZAQ-2

DZ Dimensions 33

Long Panel Mount Plunger
ZAQ-1

DZ Dimensions 34

Panel Mount Roller Plunger
ZAQ-22

DZ Dimensions 35

Note: Each dimension has a tolerance of ±0.4 mm unless otherwise specified.