Page top

Industrial Automation

Industrial Automation

Z / A / X / DZ Common Accessories

Z/A/X/DZ Common Accessories

Z / A / X / DZ Common Accessories

Terminal Covers, Separator, Actuators

(Unit: mm)

Common to Z, A, X, and DZ Models

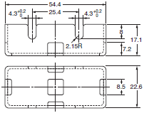
Terminal Covers

AP-A
Soldering Terminal Use (Phenol Resin)

Z / A / X / DZ Common Accessories Dimensions 3

Note: The Cover has five thin, easy-to-separate portions for easy lead wire connections.

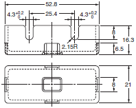
AP-B
Screw Terminal Use (Phenol Resin)

Z / A / X / DZ Common Accessories Dimensions 4

Note: The Cover has six thin, easy-to-separate portions for easy lead wire connections.

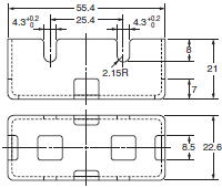
AP1-A
Soldering Terminal Use (Metal Press Mold)

Z / A / X / DZ Common Accessories Dimensions 5

Note: The Cover has five holes for easy lead wire connections.

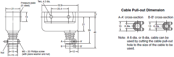
AP1-B
Screw Terminal Use (Metal Press Mold)

Z / A / X / DZ Common Accessories Dimensions 6

Note: The Cover has six holes for easy lead wire connections.

AP-Z
Soldering or Screw Terminal Use (Vinyl Chloride)

Z / A / X / DZ Common Accessories Dimensions 7

Note: Each dimension has a tolerance of ±0.4 mm unless otherwise specified. (±0.8 mm for the AP-Z)

Separator

Z / A / X / DZ Common Accessories Dimensions 9

Note: Each dimension has a tolerance of ±0.4 mm unless otherwise specified.

Common to Z, X, and DZ Models

Note: These Actuators are not provided with Switches.

Hinge Lever
XAA-1

Z / A / X / DZ Common Accessories Dimensions 11

Hinge Roller Lever
ZAA-2

Z / A / X / DZ Common Accessories Dimensions 12

Short Panel Mount Plunger
ZAQ-3

Z / A / X / DZ Common Accessories Dimensions 13

Medium Panel Mount Plunger
ZAQ-2

Z / A / X / DZ Common Accessories Dimensions 14

Long Panel Mount Plunger
ZAQ-1

Z / A / X / DZ Common Accessories Dimensions 15

Panel Mount Roller Plunger
ZAQ-22

Z / A / X / DZ Common Accessories Dimensions 16

Note: Each dimension has a tolerance of ±0.4 mm unless otherwise specified.