Page top

Industrial Automation

Industrial Automation

E5EC, E5EC-B

Digital Temperature Controller (48 x 96 mm)

E5EC, E5EC-B

48 x 96 mm. Large White PV Display That's Easier to Read. Easy to Use, from Model Selection to Setup and Operation. A Complete Range of I/O Capacities, Functions, and Performance. Handles More Applications. E5EC-B is our Value Design product which increase the value of your control panel.

(Unit: mm)

Controllers

E5EC

E5EC, E5EC-B Dimensions 2

E5EC-B

E5EC, E5EC-B Dimensions 3

• Setup Tool ports are provided as standard feature. Use these ports to connect a computer to the Digital Temperature Controller. The E58-CIFQ2 USB-Serial Conversion Cable is required to connect to the port on the top panel. The E58-CIFQ2 USB-Serial Conversion Cable and E58-CIFQ2-E Communications Conversion Cable are required to connect to the port on the front panel. (You cannot leave either port connected constantly during operation.)

E5EC, E5EC-B Dimensions 5

Accessories (Order Separately)

USB-Serial Conversion Cable
E58-CIFQ2

E5EC, E5EC-B Dimensions 7

Conversion Cable
E58-CIFQ2-E

E5EC, E5EC-B Dimensions 8

Note: Always use this product together with the E58-CIFQ2.

Terminal Covers
E53-COV24 (Three Covers provided.)

E5EC, E5EC-B Dimensions 9

Waterproof Packing
Y92S-P9 (for DIN 48 × 96)

E5EC, E5EC-B Dimensions 10

The Waterproof Packing is provided with the Temperature Controller.
Order the Waterproof Packing separately if it becomes lost or damaged.
The degree of protection when the Waterproof Packing is used is IP66.
Also, keep the Port Cover on the front-panel Setup Tool port of the E5EC/E5EC-B securely closed.
To maintain an IP66 degree of protection, the Waterproof Packing and the Port Cover for the front-panel Setup Tool port must be periodically replaced because they may deteriorate, shrink, or harden depending on the operating environment. The replacement period will vary with the operating environment.
Check the required period in the actual application. Use 3 years or sooner as a guideline.

Setup Tool Port Cover for top panel
Y92S-P7

E5EC, E5EC-B Dimensions 11

Order this Port Cover separately if the Port Cover on the front-panel Setup Tool port is lost or damaged. The Waterproof Packing must be periodically replaced because it may deteriorate, shrink, or harden depending on the operating environment.

Mounting Adapter
Y92F-51 (Two Adapters provided.)

E5EC, E5EC-B Dimensions 12

One pair is provided with the Controller.
Order the Mounting Adapter separately if it becomes lost or damaged.

Watertight Cover
Y92A-49N (48 × 96)

E5EC, E5EC-B Dimensions 13

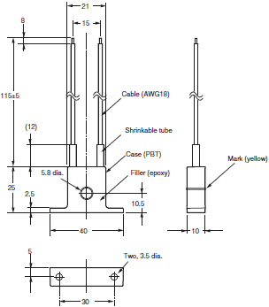
Current Transformers

E54-CT1

E5EC, E5EC-B Dimensions 15

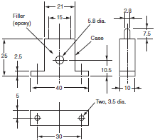
E54-CT1L

E5EC, E5EC-B Dimensions 16

Thru-current (Io) vs. Output Voltage (Eo) (Reference Values)
E54-CT1 or E54-CT1L

E5EC, E5EC-B Dimensions 17

Maximum continuous heater current: 50 A (50/60 Hz)
Number of windings: 400±2
Winding resistance: 18±2 Ω

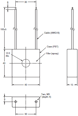
E54-CT3

E5EC, E5EC-B Dimensions 18

E54-CT3 Accessories

E5EC, E5EC-B Dimensions 19

E54-CT3L

E5EC, E5EC-B Dimensions 20

Thru-current (Io) vs. Output Voltage (Eo) (Reference Values)
E54-CT3 or E54-CT3L

E5EC, E5EC-B Dimensions 21

Maximum continuous heater current: 120 A (50/60 Hz)
(Maximum continuous heater current for an OMRON Digital Temperature Controller is 50 A.)
Number of windings: 400±2
Winding resistance: 8±0.8 Ω