Page top

Industrial Automation

Industrial Automation

FQ2

Smart Camera

FQ2

Advanced inspection in a compact housing. Expanded performance and functionality. Camera, Communications, Software Tools, and Much More.

(Unit: mm)

Sensor

Integrated Sensor

Narrow View
FQ2-S[][][]10F-[][][]
FQ2-CH[][][]10F-M
FQ-CR[][][]10F-M

Standard View
FQ2-S[][][]50F-[][][]
FQ2-CH[][][]50F-M
FQ-CR[][][]50F-M

FQ2 Dimensions 3

Wide View
FQ2-S[][]100[]-[][][]
FQ2-CH[][]100[]-M
FQ-CR[][]100[]-M

FQ2 Dimensions 4

C-mount
FQ2-S3[]-13[]
FQ2-S4[]-13[]

FQ2 Dimensions 5

* The shape of opposite side similar.

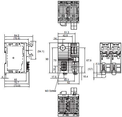
Mounting Base FQ-XLC (included with Sensor)

FQ2 Dimensions 6

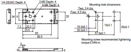
Touch Finder

FQ2-D30

FQ2 Dimensions 8

Sensor Data Unit

FQ-SDU10/-SDU15

FQ2 Dimensions 10

FQ-SDU20/-SDU25

FQ2 Dimensions 11