Page top

Industrial Automation

Industrial Automation

1ZAP2 / 1VAP2

Door Switches

1ZAP2 / 1VAP2

Door Switches with Built-in Basic Switches for Long Life

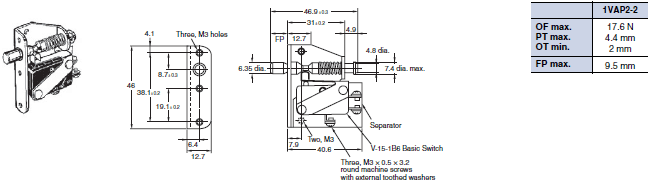
(Unit: mm)

1ZAP2

1ZAP2 / 1VAP2 Dimensions 1

1VAP2-1

1ZAP2 / 1VAP2 Dimensions 2

1VAP2-2

1ZAP2 / 1VAP2 Dimensions 3

1VAP2-6

1ZAP2 / 1VAP2 Dimensions 4

Note: 1. The standard 1VAP2-6 has SPST-NO contacts.
           2. The 1VAP2-6 is also available with SPDT contacts. If SPDT contacts are required, order using the following
                model number. (The built-in switch is the V-15-1B6.)
                1VAP2-6 (V-15-1B6)