Page top

Industrial Automation

Industrial Automation

EE-SX95

Ultra-compact Pre-wired Photomicrosensor (Non-modulated)

EE-SX95

Meeting Customer Needs with Ultracompact Sensors that Mount with M3 Screws

(Unit: mm)

Tolerance class IT16 applies to dimensions in this datasheet unless otherwise specified.

Sensors

EE-SX950-[]
EE-SX950P-[]
EE-SX950-C1J-R

EE-SX95 Dimensions 3

EE-SX951-[]
EE-SX951P-[]
EE-SX951-C1J-R

EE-SX95 Dimensions 4

EE-SX952-[]
EE-SX952P-[]
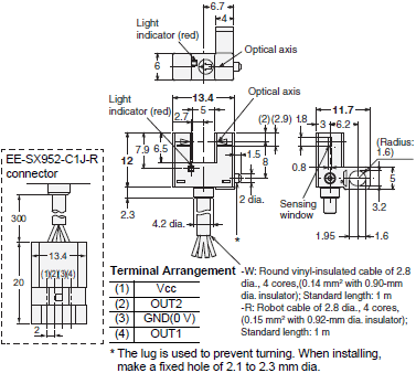
EE-SX952-C1J-R

EE-SX95 Dimensions 5

EE-SX953-[]
EE-SX953P-[]
EE-SX953-C1J-R

EE-SX95 Dimensions 6

EE-SX954-[]
EE-SX954P-[]
EE-SX954-C1J-R

EE-SX95 Dimensions 7

Accessories (Order Separately)

Connector with Robot Cable

EE-1016-R

EE-SX95 Dimensions 9