Page top

Industrial Automation

Industrial Automation

S8VK-R

Redundancy Unit

S8VK-R

Contribute to build high reliable systems Compact and Cost-effective solution for Back-up applications Easy setup for system reliability requirement

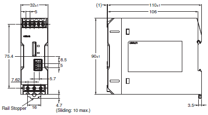
(Unit: mm)

S8VK-R10

S8VK-R Dimensions 1

Note: Be sure to use a #1 screwdriver whose tip size is smaller than 3.5 mm diameter and longer than 4.5 mm.

S8VK-R20

S8VK-R Dimensions 2

Note: Be sure to use a #2 screwdriver whose tip size is smaller than 4.9 mm diameter and longer than 10 mm.

DIN Rail (Order Separately)

Mounting Rail (Material: Aluminum)
PFP-100N
PFP-50N

S8VK-R Dimensions 4

* Values in parentheses are for the PFP-50N.

Mounting Rail (Material: Aluminum)
PFP-100N2

S8VK-R Dimensions 5

End Plate
PFP-M

S8VK-R Dimensions 6

Note: If there is a possibility that the Unit will be subject to vibration or shock, use a steel DIN Rail. Otherwise, metallic
          filings may result from aluminum abrasion.

Mounting Brackets

S8VK-R Dimensions 8