Page top

Industrial Automation

Industrial Automation

K8AK / K8DS Series

Measuring & Monitoring Relays

K8AK / K8DS Series

DIN 22.5/17.5 Size Lineup of A Wide Range of Measuring and Monitoring Relays

(Unit: mm)

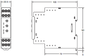
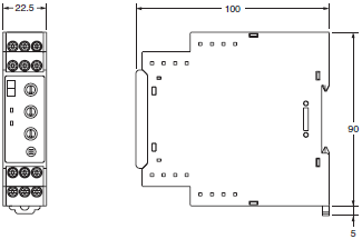
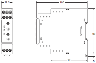
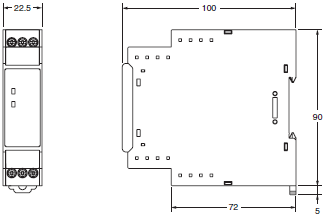
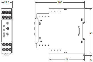
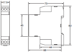
K8AK-AS Single-phase Current Relay

Single-phase Current Relays
K8AK-AS1
K8AK-AS2
K8AK-AS3

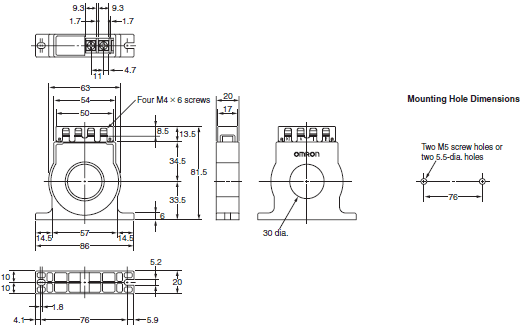
K8AK / K8DS Series Dimensions 2

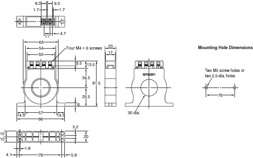
OMRON CT
K8AC-CT200L

K8AK / K8DS Series Dimensions 3

Note: The OMRON Current Transformer (CT) is designed to be used with the K8AK-AS3.
          Use terminals k and l for connections. (Terminals kt and lt are not used.)

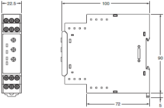
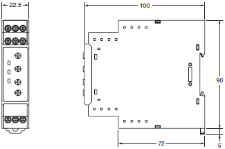
K8AK-AW Single-phase Overcurrent/Undercurrent Relays

Single-phase Current Relays
K8AK-AW1
K8AK-AW2
K8AK-AW3

K8AK / K8DS Series Dimensions 5

OMRON CT
K8AC-CT200L

K8AK / K8DS Series Dimensions 6

Note: The OMRON Current Transformer (CT) is designed to be used with the K8AK-AW3.
          Use terminals k and l for connections. (Terminals kt and lt are not used.)

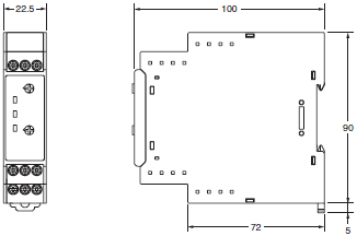
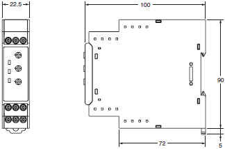
K8AK-VS Single-phase Voltage Relay

Single-phase Voltage Relays
K8AK-VS2
K8AK-VS3

K8AK / K8DS Series Dimensions 8

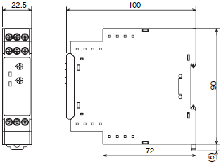
K8AK-VW Single-phase Overvoltage/Undervoltage Relays

Single-phase Voltage Relays
K8AK-VW2
K8AK-VW3

K8AK / K8DS Series Dimensions 10

K8DS-PH Phase-sequence Phase-loss Relay

Phase-sequence Phase-loss Relay
K8DS-PH1

K8AK / K8DS Series Dimensions 12

K8AK-PH Phase-sequence Phase-loss Relay

Phase-sequence Phase-loss Relays
K8AK-PH1

K8AK / K8DS Series Dimensions 14

K8AK-PW Three-phase Voltage Relay

Three-phase Voltage Relay
K8AK-PW1
K8AK-PW2

K8AK / K8DS Series Dimensions 16

K8AK-PM Three-phase Phase-sequence Phase-loss Relay

Three-phase Voltage with Phase-sequence Phase-loss Relay
K8AK-PM1
K8AK-PM2

K8AK / K8DS Series Dimensions 18

K8AK-PA Three-phase Asymmetry and Phase-sequence Phase-loss Relay

Three-phase Asymmetry and Phase-sequence Phase-loss Relay
K8AK-PA1
K8AK-PA2

K8AK / K8DS Series Dimensions 20

K8AK-TH Temperature Monitoring Relay

Temperature Monitoring Relay
K8AK-TH

K8AK / K8DS Series Dimensions 22

K8AK-LS Conductive Level Controller

K8AK-LS

K8AK / K8DS Series Dimensions 24

Optional Parts for DIN Track Mounting

DIN Tracks
PFP-100N
PFP-50N

K8AK / K8DS Series Dimensions 26

* Dimensions in parentheses are for the PFP-50N.