Page top

Industrial Automation

Industrial Automation

E5DC / E5DC-B

Digital Temperature Controller (22.5 mm Wide, and DIN Track-mounting Type)

E5DC / E5DC-B

The E5DC Mounts to DIN Track and Is Ideal for Connections to HMIs and PLCs. It provides the Same Easy Operation and Advanced Performance as the Rest of the E5[]C Series. Models with Push-In Plus Terminal Blocks Added to Lineup.

(Unit: mm)

Controllers

E5DC

E5DC / E5DC-B Dimensions 2

E5DC-B

E5DC / E5DC-B Dimensions 3

• Setup Tool ports are provided as standard feature. Use these ports to connect a computer to the Digital Temperature Controller. The E58-CIFQ2 USB-Serial Conversion Cable is required to connect to the port on the bottom panel. The E58-CIFQ2 USB-Serial Conversion Cable and E58-CIFQ2-E Communications Conversion Cable are required to connect to the port on the front panel. (You cannot leave either port connected constantly during operation.)

E5DC / E5DC-B Dimensions 5

• Recommended panel thickness is 1 to 8 mm.
• Group mounting is not possible in the vertical direction. (Maintain the specified mounting space between Controllers.)
• When two or more Digital Temperature Controllers are mounted, make sure that the surrounding temperature does not exceed the allowable operating temperature specified in the specifications.

Accessories (Order Separately)

Terminal Unit
E5DC-SCT1S

E5DC / E5DC-B Dimensions 7

Push-In Plus Terminal Unit
E5DC-SCT1B

E5DC / E5DC-B Dimensions 8

USB-Serial Conversion Cable
E58-CIFQ2

E5DC / E5DC-B Dimensions 9

Conversion Cable
E58-CIFQ2-E

E5DC / E5DC-B Dimensions 10

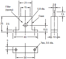
Current Transformers

E54-CT1

E5DC / E5DC-B Dimensions 12

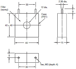
E54-CT1L

E5DC / E5DC-B Dimensions 13

Thru-current (Io) vs. Output Voltage (Eo) (Reference Values)
E54-CT1 or E54-CT1L

E5DC / E5DC-B Dimensions 14

Maximum continuous heater current: 50 A (50/60 Hz)
Number of windings: 400±2
Winding resistance: 18±2 Ω

E54-CT3

E5DC / E5DC-B Dimensions 15

E54-CT3 Accessories

E5DC / E5DC-B Dimensions 16

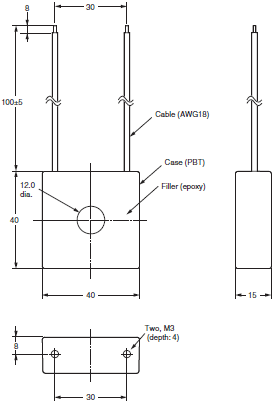
E54-CT3L

E5DC / E5DC-B Dimensions 17

Thru-current (Io) vs. Output Voltage (Eo) (Reference Values)
E54-CT3 or E54-CT3L

E5DC / E5DC-B Dimensions 18

Maximum continuous heater current: 120 A (50/60 Hz)
(Maximum continuous heater current for an OMRON Digital Temperature Controller is 50 A.)
Number of windings: 400±2
Winding resistance: 8±0.8 Ω

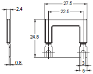
Mounting Adapters
Y92F-53 (Two included.)

E5DC / E5DC-B Dimensions 19

This accessory is not included with the product. Order it separately to mount the product to a panel.

Short Bars
Y92S-P11 (Four included.)

E5DC / E5DC-B Dimensions 20

Use this product to connect between terminals (for power supplies, communications, etc.) when you use multiple E5DC Controllers.

End Plate
PFP-M

E5DC / E5DC-B Dimensions 21

DIN Tracks
PFP-100N
PFP-50N

E5DC / E5DC-B Dimensions 22

* Dimensions in parentheses are for the PFP-50N.

Spacer
PFP-S

E5DC / E5DC-B Dimensions 23

Unit Labels
Y92S-L2

E5DC / E5DC-B Dimensions 24

The Unit Labels for the Digital Panel Meter are used. Use either the °C or °F label from the sheet.

End Cover
Y92F-54 (Two included.)

E5DC / E5DC-B Dimensions 25

Use the End Cover when you mount the E5DC/E5DC-B to a panel to hide the gap between the Controller and the panel.

Connector Cover
E53-COV26

E5DC / E5DC-B Dimensions 26

E5DC-B Push-In Plus Terminal Units are mounted with both a male and female connector cover (E53-COV26).
Order the connector cover separately if it becomes lost or damaged.