Page top

Industrial Automation

Industrial Automation

D4CC

Miniature Limit Switch

D4CC

Many Models Including Roller Lever Switches are Only 16-mm Thick with Connector

(Unit: mm)

Switches

Limit Switches

The [] in each model number is replaced with the code expressing the rated load of the model. Refer to Model Number Legend.

Pin Plunger
D4CC-[]001

D4CC Dimensions 3

Roller Plunger
D4CC-[]002

D4CC Dimensions 4

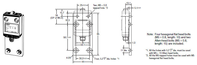
Crossroller Plunger
D4CC-[]003

D4CC Dimensions 5

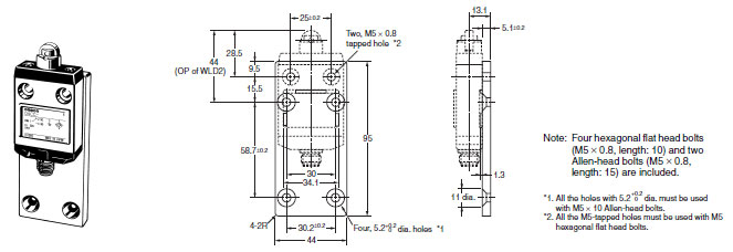
Roller Lever
D4CC-[]024

D4CC Dimensions 6

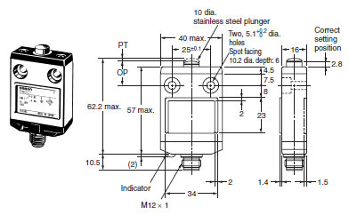
Sealed Pin Plunger
D4CC-[]031

D4CC Dimensions 7

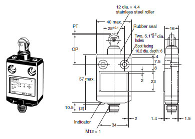
Note: Unless otherwise specified, a tolerance of ±0.4 mm applies to all dimensions.

D4CC Dimensions 9

Sealed Roller Plunger
D4CC-[]032

D4CC Dimensions 10

Sealed Crossroller Plunger
D4CC-[]033

D4CC Dimensions 11

Plastic Rod
D4CC-[][]50

D4CC Dimensions 12

Center Roller Lever
D4CC-[][]60

D4CC Dimensions 13

Note: Unless otherwise specified, a tolerance of ±0.4 mm applies to all dimensions.

D4CC Dimensions 15

Applicable Cables

Select one of the specified Connector Plugs from the following table.

XS2F-D421-[]80-F (For DC)
XS2F-A421-[]90-F (For AC)

D4CC Dimensions 17

Special Mounting Plates (Limit Switches are not attached to the Plates.)

D4C-P001 (For D4CC-[]001)

D4CC Dimensions 19

D4C-P002 (For D4CC-[]002)

D4CC Dimensions 20

D4C-P020 (For D4CC-[]024)

D4CC Dimensions 21

Note: Unless otherwise specified, a tolerance of ±0.4 mm applies to all dimensions.

Remarks

D4CC Dimensions 23

There is no difference in mounting pitch between the Mounting Plate and the WL/WL-N. The mounting depth of the D4CC with the Mounting Plate attached is, however, shorter than that of the panel-mounted WL/WL-N.