Two-circuit Limit Switch
last update: January 13, 2026
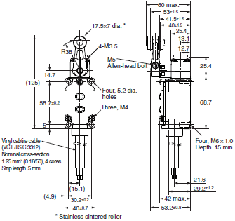
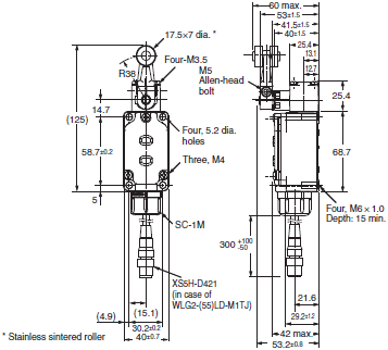
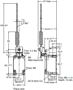
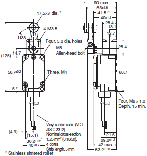
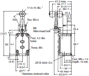
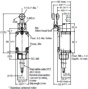
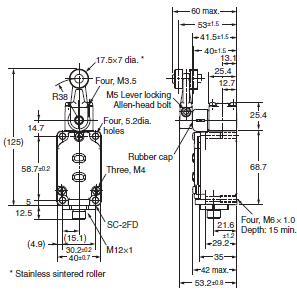
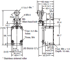
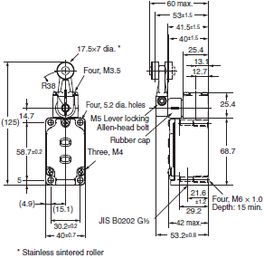
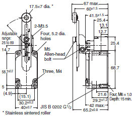
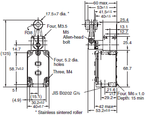
(Unit: mm)
Note: Unless otherwise indicated, a tolerance of ±0.4 mm applies to all dimensions.
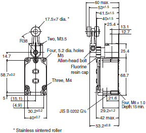
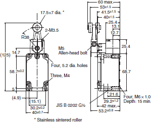
Roller lever R38
WLCA2(-55)-N
WLCA2-2(55)-N
WLCA2-2N(55)-N
Roller lever R38 With operation indicator
LED
WLCA2-(55)LD-N
WLCA2-2(55)LD-N
WLCA2-2N(55)LD-N
Neon lamp
WLCA2-(55)LE-N
WLCA2-2(55)LE-N
WLCA2-2N(55)LE-N
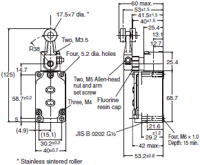
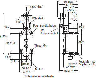
Roller lever R38
WLG2(-55)
WLGCA2(-55)
Roller lever R38 With operation indicator
LED
WLG2-(55)LD
WLGCA2-(55)LD
Neon lamp
WLG2-(55)LE
WLGCA2-(55)LE
Roller lever R50
WLCA2-7-N
Roller lever R50 With operation indicator
LED
WLCA2-7LD-N
Neon lamp
WLCA2-7LE-N
Roller lever R63
WLCA2-8-N
Roller lever R63 With operation indicator
LED
WLCA2-8LD-N
Neon lamp
WLCA2-8LE-N
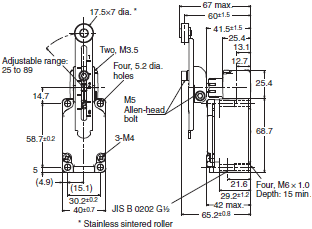
Adjustable Roller Lever (R25 to 89 mm)
WLCA12(-55)-N
WLCA12-2-N
WLCA12-2N-N
Adjustable Roller Lever (R25 to 89 mm) With operation indicator
LED
WLCA12-(55)LD-N
WLCA12-2LD-N
WLCA12-2NLD-N
Neon lamp
WLCA12-(55)LE-N
WLCA12-2LE-N
WLCA12-2NLE-N
Adjustable Roller Lever (R25 to 89 mm)
WLG12
Adjustable Roller Lever (R25 to 89 mm) With operation indicator
LED
WLG12-LD
Neon lamp
WLG12-LE
Roller lever R38 With operation indicator
LED
WLCA2-LDK13A-N
WLCA2-(55)LDK13-N
WLCA2-LDK43A-N
WLCA2-(55)LDK43-N
Roller lever R38 With operation indicator
LED
WLG2-(55)LDK13
WLG2-(55)LDK43
WLGCA2-(55)LDK13
WLGCA2-(55)LDK43
Roller lever R38 With operation indicator
LED
Threaded (M12)
WLCA2-(55)LD-M1J-N
WLCA2-(55)LD-M1GJ-N
WLCA2-(55)LD-DGJ-N
WLCA2-(55)LD-DK1EJ-N
Smartclick
WLCA2(55)LD-DTGJ-N
WLCA2-LD-DTK1EJ-N
Roller lever R38 With operation indicator
LED
Threaded (M12)
WLG2-(55)LD-M1J
WLG2-(55)LD-M1GJ
WLG2-(55)LD-M1JB
WLG2-(55)LD-DGJ03
WLG2-(55)LD-DK1EJ03
Smartclick
WLG2-(55)LD-M1TJ
WLG2-(55)LD-M1TGJ
WLG2-(55)LD-M1TJB
WLG2-(55)LD-DTGJ03
WLG2-(55)LD-DTK1EJ03
Sealed top-roller plunger
WLD28(-55)-N
Sealed top-roller plunger With operation indicator
LED
WLD28-(55)LD-N
Neon lamp
WLD28-(55)LE-N
Top-roller plunger
WLD2(-55)-N
Sealed top-roller plunger With operation indicator
LED
WLD2-(55)LD-N
Neon lamp
WLD2-(55)LE-N
Sealed top plunger
WLD18-N
Sealed top-roller plunger With operation indicator
LED
WLD18-LD-N
Neon lamp
WLD18-LE-N
Sealed top-ball plunger
WLD38-N
Sealed top-ball plunger With operation indicator
LED
WLD38-LD-N
Neon lamp
WLD38-LE-N
Horizontal plunger
WLSD(-55)-N
Horizontal plunger With operation indicator
LED
WLSD-(55)LD-N
Neon lamp
WLSD-LE-N
Horizontal-roller plunger
WLSD2(-55)-N
Horizontal-roller plunger With operation indicator
LED
WLSD2-(55)LD-N
Neon lamp
WLSD2-LE-N
Horizontal-ball plunger
WLSD3-N
Horizontal-ball plunger With operation indicator
LED
WLSD3-LD-N
Neon lamp
WLSD3-LE-N
Sealed top-roller plunger With operation indicator
LED
WLD28-(55)LDK13-N
WLD28-(55)LDK43-N
Sealed top-roller plunger With operation indicator
Threaded (M12)
LED
WLD28-(55)LD-M1J-N
WLD28-(55)LD-M1GJ-N
WLD28-(55)LD-DGJ-N
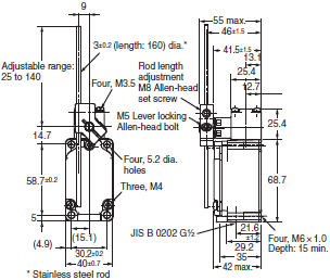
Adjustable rod lever (25 to 140 mm)
WLCL(-55)-N
WLCL-2-N
WLCL-2N-N
Adjustable rod lever (25 to 140 mm) With operation indicator
LED
WLCL-(55)LD-N
WLCL-2LD-N
WLCL-2NLD-N
Neon lamp
WLCL-LE-N
WLCL-2LE-N
WLCL-2NLE-N
Adjustable rod lever (25 to 140 mm)
WLGL
Adjustable Roller Lever (25 to 140 mm) With operation indicator
LED
WLGL-LD
Neon lamp
WLGL-LE
Adjustable rod lever (350 to 380 mm)
WLCAL4-N
Adjustable Roller Lever (350 to 380 mm) With operation indicator
LED
WLCAL4-LD-N
Neon lamp
WLCAL4-LE-N
Rod spring lever
WLCAL5-N
Rod spring lever With operation indicator
LED
WLCAL5-LD-N
Neon lamp
WLCAL5-LE-N
Coil spring
WLNJ(-55)-N
Coil spring With operation indicator
LED
WLNJ-(55)LD-N
Neon lamp
WLNJ-LE-N
Coil Spring (Multi-wire)
WLNJ-30-N
Coil Spring (Multi-wire) With operation indicator
LED
WLNJ-30LD-N
Neon lamp
WLNJ-30LE-N
Resin rod
WLNJ-2(55)-N
Resin rod With operation indicator
LED
WLNJ-2(55)LD-N
Neon lamp
WLNJ-2LE-N
Steel wire
WLNJ-S2-N
Steel wire With operation indicator
LED
WLNJ-S2LD-N
Neon lamp
WLNJ-S2LE-N
WLCA32-41-N
WLCA32-42-N
WLCA32-43-N
WLCA32-44-N
With operation indicator
LED
WLCA32-41LD-N
WLCA32-43LD-N
Neon lamp
WLCA32-41LE-N
WLCA32-42LE-N
WLCA32-43LE-N
Roller lever R38
Heat-resistant type
WLCA2-TH-N
WLCA2-2TH-N
WLCA2-2NTH-N
Cold-resistant type
WLCA2-TC-N
WLCA2-2TC-N
WLCA2-2NTC-N
Corrosion-resistant type
WLCA2-RP-N
Weather-resistant type
WLCA2-P1-N
Roller lever R38
Heat-resistant type
WLG2-TH
WLGCA2-TH
Cold-resistant type
WLG2-TC
WLGCA2-TC
Corrosion-resistant type
WLG2-RP
WLGCA2-RP
Weather-resistant type
WLG2-P1
Roller lever R38
Coolant-resistant type
WLCA2-RP60-N
WLCA2-2RP60-N
Molded terminal-139
WLCA2-139-N
WLCA2-2139-N
WLCA2-2N139-N
Roller lever R38 With operation indicator
Coolant-resistant specifications
WLCA2-RP60LD2-N
WLCA2-RP60LD3-N
WLCA2-2RP60LD2-N
WLCA2-2RP60LD3-N
Molded terminal -139
WLCA2-139LD2-N
WLCA2-139LD3-N
WLCA2-2139LD2-N
WLCA2-2139LD3-N
Roller lever R38
Molded terminal-140
WLCA2-140-N
WLCA2-2N140-N
Molded terminal-141
WLCA2-141-N
Roller lever R38 With operation indicator
Molded terminal -141
WLCA2-141LD2-N
WLCA2-141LD3-N
Roller lever R38
Coolant-resistant type
WLG2-RP60
Molded terminal -139
WLG2-139
Roller lever R38 With operation indicator
Coolant-resistant specifications
WLG2-RP60LD2
WLG2-RP60LD3
WLGCA2-RP60LD2
WLGCA2-RP60LD3
Molded terminal -139
WLG2-139LD3
Roller lever R38
Molded terminal -140
WLG2-140
Molded terminal -141
WLG2-141
Roller lever R38 With operation indicator
Molded terminal -140
WLG2-140LD2
WLG2-140LD3
Molded terminal -141
WLG2-141LD2
WLG2-141LD3
WLGCA2-141LD3
Adjustable Roller Lever (R25 to 89 mm)
Heat-resistant type
WLCA12-TH-N
WLCA12-2TH-N
WLCA12-2NTH-N
Cold-resistant type
WLCA12-TC-N
WLCA12-2TC-N
WLCA12-2NTC-N
Weather-resistant type
WLCA12-P1-N
Corrosion-resistant type
WLCA12-RP-N
Adjustable Roller Lever (R25 to 89 mm)
Heat-resistant type
WLG12-TH
Cold-resistant type
WLG12-TC
Weather-resistant type
WLG12-P1
Corrosion-resistant type
WLG12-RP
Adjustable Roller Lever (R25 to 89 mm)
Coolant-resistant specifications
WLCA12-RP60-N
Molded terminal -139
WLCA12-139-N
Adjustable Roller Lever (R25 to 89 mm)
Molded terminal -140
WLCA12-140-N
Molded terminal -141
WLCA12-141-N
Note: The operating characteristics are measured at the lever length of 38 mm.
Sealed top-roller plunger
Heat-resistant specifications
WLD28-TH-N
Cold-resistant specifications
WLD28-TC-N
Corrosion-resistant specifications
WLD28-RP-N
Top-roller plunger
Heat-resistant specifications
WLD2-TH-N
Horizontal plunger
Heat-resistant specifications
WLSD-TH-N
Cold-resistant specifications
WLSD-TC-N
Corrosion-resistant specifications
WLSD-RP-N
Horizontal-roller plunger
Heat-resistant specifications
WLSD2-TH-N
Cold-resistant specifications
WLSD2-TC-N
Corrosion-resistant specifications
WLSD2-RP-N
Sealed top-roller plunger
Coolant-resistant specifications
WLD28-RP60-N
Molded terminal -139
WLD28-139-N
Sealed top-roller plunger
Molded terminal -140
WLD28-140-N
Top-roller plunger
Coolant-resistant specifications
WLD2-RP60-N
Horizontal plunger
Molded terminal -139
WLSD-139-N
Horizontal-roller plunger
Coolant-resistant specifications
WLSD2-RP60-N
Molded terminal -139
WLSD2-139-N
Horizontal-roller plunger
Molded terminal -140
WLSD2-140-N
Coil spring
Heat-resistant specifications
WLNJ-TH-N
Cold-resistant specifications
WLNJ-TC-N
Corrosion-resistant
specifications
WLNJ-RP-N
Resin rod
Corrosion-resistant specifications
WLNJ-2RP-N
Coil spring
Coolant-resistant specifications
WLNJ-RP60-N
Molded terminal -139
WLNJ-139-N
Coil spring
Molded terminal -140
WLNJ-140-N
Resin rod
Coolant-resistant specifications
WLNJ-2RP60-N
Molded terminal -139
WLNJ-2139-N
Resin rod
Molded terminal - 140
WLNJ-2140-N
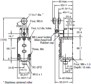
Roller lever R38
Allen-head lever
With operation indicator (LED)
WLCA2-LDS-N
With operation indicator (neon lamp)
WLCA2-LES-N
Roller lever R38
Allen-head lever
With operation indicator (LED)
WLG2-LDS
WLGCA2-LDS
With operation indicator (neon lamp)
WLG2-LES
WLGCA2-LES
Roller lever R38
Double nut lever
With operation indicator (LED)
WLCA2-LDAS-N
With operation indicator (neon lamp)
WLCA2-LEAS-N
Roller lever R38
Double nut lever
With operation indicator (LED)
WLG2-LDAS
With operation indicator (neon lamp)
WLG2-LEAS
Roller lever R38
Allen-head lever
With operation indicator (LED)
WLCA2-LDS-M1J-1-N
WLCA2-LDS-DGJS-N
Roller lever R38
Allen-head lever
Threaded (M12)
With operation indicator (LED)
WLG2-LDS-DGJS03
WLG2-LDS-DK1EJ03
WLG2-55LDS-M1J-1
WLG2-55LDS-M1GJ-1
WLG2-55LDS-DGJS03
WLG2-LDS-M1J-1
WLG2-LDS-M1GJ-1
WLGCA2-LDS-M1J-1
WLGCA2-LDS-M1GJ-1
Roller lever R38
Allen-head lever
With operation indicator (LED)
WLCA2-LDS-DTGJS-N
Roller lever R38
Allen-head lever
Smartclick
With operation indicator (LED)
WLG2-LDS-DTGJS03
WLG2-55LDS-M1TGJ
Sealed top-roller plunger
With operation indicator
LED
WLD28-LDS-N
Neon lamp
WLD28-LES-N
Sealed top-roller plunger
Threaded (M12)
WLD28-LDS-M1J-1-N
WLD28-LDS-M1GJ-1-N
WLD28-LDS-DGJS-N
Smartclick
WLD28-LDS-DTGJS-N
Roller lever R38
With operation indicator (LED)
WLMCA2-LD-N
Roller lever R38
With operation indicator (LED)
WLMG2-LD
Roller lever R38
With operation indicator (LED)
WLMGCA2-LD
Roller lever R38
With operation indicator (LED)
WLMCA2-LDK13A-N
WLMCA2-LDK43A-N
WLMCA2-LDK13-N
WLMCA2-LDK43-N
Roller lever R38
With operation indicator (LED)
WLMG2-LDK13A
WLMG2-LDK43A
WLMG2-LDK13
WLMG2-LDK43
Roller lever R38
With operation indicator (LED)
WLMGCA2-LDK13A
WLMGCA2-LDK13
WLMGCA2-LDK43
Roller lever R38
With operation indicator (LED)
Threaded (M12)
WLMCA2-LD-M1J-N
WLMCA2-LD-AGJ-N
WLMCA2-LD-DGJ-N
Smartclick
WLMCA2-LD-DTGJ-N
Roller lever R38
With operation indicator (LED)
Threaded (M12)
WLMG2-LD-M1J
WLMG2-LD-DTGJ03
Roller lever R38
With operation indicator (LED)
Threaded (M12)
WLMGCA2-LD-M1J
Sensor I/O connectors
XS2F-A421-[][]0-F
XS2F-D421-[]D0
XS2F-D421-[][]0-F
Terminal Plate
WL-N TERMINAL PLATE
When attaching the Terminal Plate to the built-in switch terminal, the SPST-NO+NC contact can be converted to an SPDT contact.
For details on use, refer to Terminal Plate on Catalog.
Side mounting plate
WLN-P001
The Side mounting plate allows the actuator to be installed in the same position as the side mounting of the WL[]-2N series.
For details on use, refer to To customers using the WL[]-2N series model in a side-mounted configuration on Catalog.
Note: Figures in parentheses are connector pin numbers.
WL-1A100
Standard Lever
WL-1A115
Resin Roller
WL-1A400
Bearing Roller
WL-1A118
Nylon Roller: Roller Width: 30 mm
WL-1A105
Double Nuts
WL-1A103S
Spatter Prevention
WL-105S
Spatter Prevention
WL-1A200
Lever Length: 50
Roller Width: 15
WL-1A300
Lever Length: 63
WL-2A111
Resin Roller
WL-2A107
Double Nuts
WL-2A108
Resin Roller
SC-1M
SC-2M
SC-3M
SC-4M
SC-5M
SC-21
SC-22
SC-23
SC-24
SC-25
* mark dimensional table
last update: January 13, 2026