Page top

Industrial Automation

Industrial Automation

Discontinued On Mar. 2017

H3JA

Solid-state Timer

H3JA

Economical, Compact, Plug-in Timer

* Information in this page is a reference that you created on the basis of information in the product catalog before the end of production, may be different from the current situation, such as goods for / supported standards options / price / features of the product. Before using, please check the compatibility and safety system.

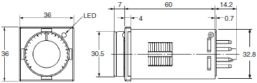
(Unit: mm)

H3JA

H3JA Dimensions 1

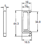
Accessories (Order Separately)

Flush Mounting Adapter

Y92F-31

H3JA Dimensions 3

Track Mounting/Front Connecting Socket

PF085A

H3JA Dimensions 4

Hold-down Clips (Set of Two Clips)

Y92H-6 for PF085A Socket

H3JA Dimensions 5

Back Connecting Socket

US08

H3JA Dimensions 7

P3G-08

H3JA Dimensions 8

Finger Safe Terminal Cover
Conforming to VDE0106/P100

Y92A-48G (Attachment for P3G-08 Socket)

H3JA Dimensions 9

Mounting Track

PFP-100N, PFP-50N

H3JA Dimensions 11

PFP-100N2

H3JA Dimensions 12

End Plate

PFP-M

H3JA Dimensions 13

Spacer

PFP-S

H3JA Dimensions 14