Page top

Industrial Automation

Industrial Automation

GRT1-PNT

SmartSlice

GRT1-PNT

The smartest modular I/O system

OMRON's SmartSlice I/O system is compact, intelligent and easy. When used with OMRON's CS1/CJ1 DeviceNet or CompoNet master units, no configuration tool is required. By using built-in functions such as pre-scaling, totalising, differentiation and alarming in analog I/O units, PLC programming can be minimised. Preventive maintenance data collected by all I/O units can be accessed using CX-Integrator or NS-series Smart Active Parts.

Most compact in the market (84 mm high)

Easy set-up, backup and restore functions

Diagnostics and preventive maintenance data at I/O level

Detachable terminal blocks allow hot-swapping without re-wiring

3-wire I/O connection with 'push-in' technology, no screwdriver required

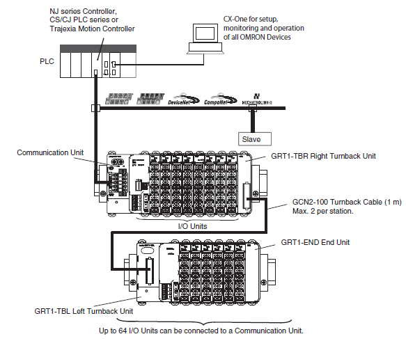
System Configuration

GRT1-PNT Features 7