Page top

Industrial Automation

Industrial Automation

E5GC

Digital Temperature Controller (48 × 24 mm)

E5GC

Easy Operation and High Performance of the E5[]C Series in a Compact 48 x 24-mm Body

(Unit: mm)

Controllers

E5GC-[]6
Controllers with Screw Terminal Blocks

E5GC Dimensions 2

E5GC-[]C
Controllers with Screwless Clamp Terminal Blocks

E5GC Dimensions 3

Accessories (Order Separately)

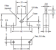
USB-Serial Conversion Cable
E58-CIFQ2

E5GC Dimensions 5

Conversion Cable
E58-CIFQ2-E

E5GC Dimensions 6

Current Transformers

E54-CT1

E5GC Dimensions 8

E54-CT1L

E5GC Dimensions 9

Thru-current (Io) vs. Output Voltage (Eo) (Reference Values)
E54-CT1 or E54-CT1L

E5GC Dimensions 10

Maximum continuous heater current: 50 A (50/60 Hz)
Number of windings: 400±2
Winding resistance: 18±2 Ω

E54-CT3

E5GC Dimensions 11

E54-CT3 Accessories

E5GC Dimensions 12

E54-CT3L

E5GC Dimensions 13

Thru-current (Io) vs. Output Voltage (Eo) (Reference Values)
E54-CT3 or E54-CT3L

E5GC Dimensions 14

Maximum continuous heater current: 120 A (50/60 Hz)
(Maximum continuous heater current for an OMRON Digital Temperature Controller is 50 A.)
Number of windings: 400±2
Winding resistance: 8±0.8 Ω

Mounting Adapters
Y92F-53 (Two included.)

E5GC Dimensions 15

One pair is provided with the Temperature Controller. Order the Mounting Adapter separately if it becomes lost or damaged.

Waterproof Packing
Y92S-P12

E5GC Dimensions 16

The Waterproof Packing is provided with the Temperature Controller.
Order the Waterproof Packing separately if it becomes lost or damaged.
The Waterproof Packing can be used to achieve an IP66 degree of protection.
(Deterioration, shrinking, or hardening of the waterproof packing may occur depending on the operating environment. Therefore, periodic replacement is recommended to ensure the level of waterproofing specified in IP66. The time for periodic replacement depends on the operating environment.
Be sure to confirm this point at your site. Consider three years a rough standard.)

Draw-out Jig
Y92F-55

E5GC Dimensions 17

Use this Draw-out Jig to remove the interior body of the Digital Temperature Controller from the case to perform maintenance without removing the terminal wiring.

Terminal Covers
E53-COV27

E5GC Dimensions 18

The Terminal Covers is provided with the Digital Temperature Controller. Order the Terminal Covers separately if it becomes lost or damaged.