Page top

Industrial Automation

Industrial Automation

R6Y3

Delta robot

R6Y3

Pick and Place Solution. The fastest picking system integrated in the Sysmac platform

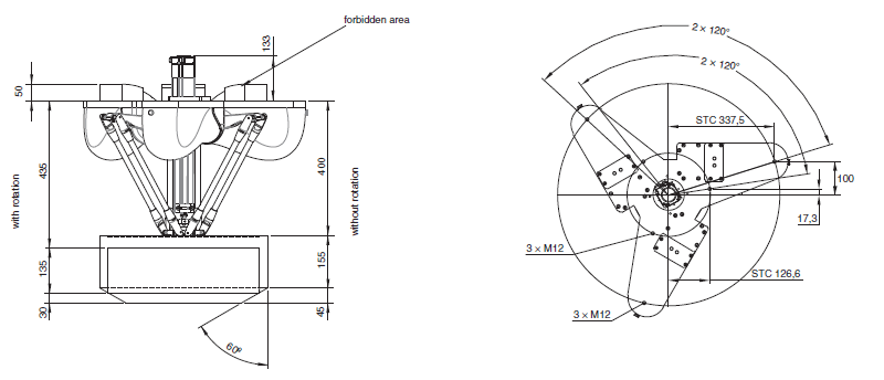
(Unit: mm)

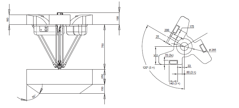
Washdown Delta robot dimensions

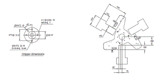
R6Y31110[]03067NJ5 (3 axes + 1 rotational axis)

R6Y3 Dimensions 3
R6Y3 Dimensions 4

The three areas of the robot base are available for mounting. Leave other area unoccupied for other needs (e.g. writing). Also note the locations of the eyebolts when designing a mounting frame. Any part of end-effector should not stick out above the surface of B.

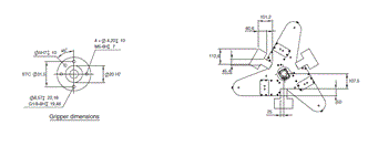
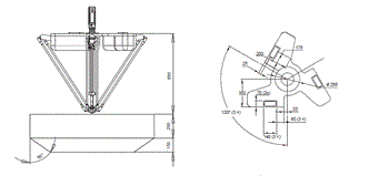
R6Y30110S03067NJ5 (3 axes)

R6Y3 Dimensions 7
R6Y3 Dimensions 8

The three areas of the robot base are available for mounting. Leave other area unoccupied for other needs (e.g. writing). Also note the locations of the eyebolts when designing a mounting frame. Any part of end-effector should not stick out above the surface of B.

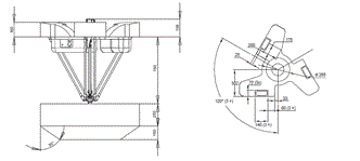
Delta robot XL dimensions

CR_UGD4_XL_[]R

R6Y3 Dimensions 12
R6Y3 Dimensions 13
R6Y3 Dimensions 14

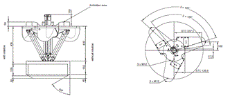
Delta robot dimentions

CR_UGD4_[]R

R6Y3 Dimensions 17
R6Y3 Dimensions 18
R6Y3 Dimensions 19

Washdown Mini Delta robot / Mini Delta robot dimentions

CR_UGD4MINI_[]R[]

R6Y3 Dimensions 22
R6Y3 Dimensions 23
R6Y3 Dimensions 24