Page top

Industrial Automation

Industrial Automation

XW5T-S

DIN Track Terminal Blocks with Screw Terminals

XW5T-S

Global-standard DIN Terminal Blocks for Control Panels

(Unit: mm)

Feed Through Terminal Blocks

XW5T-S2.5-1.1-1[]

XW5T-S Dimensions 2

XW5T-S4.0-1.1-1

XW5T-S Dimensions 3

XW5T-S6.0-1.1-1[]

XW5T-S Dimensions 4

XW5T-S10-1.1-1[]

XW5T-S Dimensions 5

XW5T-S16-1.1-1[]

XW5T-S Dimensions 6

XW5T-S35-1.1-1[]

XW5T-S Dimensions 7

XW5T-S150-1.1-1[]

XW5T-S Dimensions 8

XW5T-S2.5-1.1-2[]

XW5T-S Dimensions 9

XW5T-S4.0-1.2-1

XW5T-S Dimensions 10

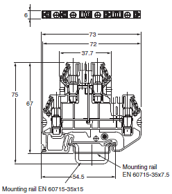
XW5T-S4.0-2.2-1

XW5T-S Dimensions 11

XW5T-S4.0-1.1-2[]

XW5T-S Dimensions 12

XW5T-S4.0-FU5

XW5T-S Dimensions 13

XW5T-S4.0-FU6

XW5T-S Dimensions 14

XW5T-S4.0-KD

XW5T-S Dimensions 15

Grounding Terminal Blocks

XW5G-S2.5-1.1-1

XW5T-S Dimensions 17

XW5G-S4.0-1.1-1

XW5T-S Dimensions 18

XW5G-S6.0-1.1-1

XW5T-S Dimensions 19

XW5G-S10-1.1-1

XW5T-S Dimensions 20

XW5G-S16-1.1-1

XW5T-S Dimensions 21

XW5G-S35-1.1-1

XW5T-S Dimensions 22

XW5G-S4.0-2.2-1

XW5T-S Dimensions 23

Short Bars

XW5S-S2.5-[]

XW5T-S Dimensions 25

XW5S-S4.0-[]

XW5T-S Dimensions 26

XW5S-S6.0-[]

XW5T-S Dimensions 27

XW5S-S10-2

XW5T-S Dimensions 28

Cross Connector with Screw

XW5S-S2.5-[]N

XW5T-S Dimensions 30

End Covers

XW5E-S2.5

XW5T-S Dimensions 32

XW5E-S16

XW5T-S Dimensions 33

XW5E-S4.0-1.2-1

XW5T-S Dimensions 34

XW5E-S4.0-2.2-1

XW5T-S Dimensions 35

XW5E-S4.0-1.1-2

XW5T-S Dimensions 36

XW5E-S2.5N

XW5T-S Dimensions 37

Separator Plates

XW5Z-S2.5PT

XW5T-S Dimensions 39

Label

XW5Z-S2.5[]

XW5T-S Dimensions 41

XW5Z-S4.0[]

XW5T-S Dimensions 42

XW5Z-S6.0[]

XW5T-S Dimensions 43