Page top

Industrial Automation

Industrial Automation

H3DT-A

Power ON-delay Timer

H3DT-A

Our Value Design Products Increase the Value of Your Control Panels. Single Mode Timers with power ON delay operation.

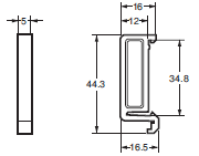
(Unit: mm)

Timers

H3DT-A

H3DT-A Dimensions 1

Track Mounting Products (Sold Separately)

DIN Track
PFP-100N
PFP-50N

H3DT-A Dimensions 2

DIN Track
PFP-100N2

H3DT-A Dimensions 3

End Plate
PFP-M

H3DT-A Dimensions 4

Spacer
PFP-S

H3DT-A Dimensions 5

Note: 1. Order the above products in multiples of 10.
         2. The Tracks conform to DIN standards.

Options (Order Separately)

Front Cover
Y92A-D1A

H3DT-A Dimensions 7