Page top

Industrial Automation

Industrial Automation

PYF-[][]-PU / PTF-[][]-PU / P2RF-[][]-PU

Sockets with Push-In Plus technology

PYF-[][]-PU / PTF-[][]-PU / P2RF-[][]-PU

Our Value Design Products Increase the Value of Your Control Panels. Sockets with Push-In Plus technology to Save Work Added to Series for MY, LY and G2R-S Relays.

(Unit: mm)

Sockets

PYF-08-PU(-L)

PYF-[][]-PU / PTF-[][]-PU / P2RF-[][]-PU Dimensions 2

* The PYF-08-PU-L Sockets do not have release levers.

PYF-14-PU(-L)

PYF-[][]-PU / PTF-[][]-PU / P2RF-[][]-PU Dimensions 3

* The PYF-14-PU-L Sockets do not have release levers.

Mounting Heights

PYF-08-PU

PYF-[][]-PU / PTF-[][]-PU / P2RF-[][]-PU Dimensions 5

PYF-14-PU

PYF-[][]-PU / PTF-[][]-PU / P2RF-[][]-PU Dimensions 6

PTF-08-PU (-L)

PYF-[][]-PU / PTF-[][]-PU / P2RF-[][]-PU Dimensions 7

Note: When you apply a minimum of 10 A of current to an LY1 when it is used in combination with the PTF-08-PU(-L), connect each of the following terminal pairs: (1) to (2), (3) to (4), and (5) to (6).
* The PTF-08-PU-L Sockets do not have release levers.

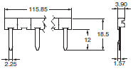
PTF-14-PU-L

PYF-[][]-PU / PTF-[][]-PU / P2RF-[][]-PU Dimensions 8

Mounting Heights

PTF-08-PU

PYF-[][]-PU / PTF-[][]-PU / P2RF-[][]-PU Dimensions 10

PTF-14-PU-L

PYF-[][]-PU / PTF-[][]-PU / P2RF-[][]-PU Dimensions 11

P2RF-05-PU

PYF-[][]-PU / PTF-[][]-PU / P2RF-[][]-PU Dimensions 12

P2RF-08-PU

PYF-[][]-PU / PTF-[][]-PU / P2RF-[][]-PU Dimensions 13

Mounting Heights

P2RF-05-PU

PYF-[][]-PU / PTF-[][]-PU / P2RF-[][]-PU Dimensions 15

P2RF-08-PU

PYF-[][]-PU / PTF-[][]-PU / P2RF-[][]-PU Dimensions 16

Short Bars

PYDN-7.75-[][] (7.75 mm)

PYF-[][]-PU / PTF-[][]-PU / P2RF-[][]-PU Dimensions 18

PYDN-15.5-080[] (15.5mm)

PYF-[][]-PU / PTF-[][]-PU / P2RF-[][]-PU Dimensions 19

PYDN-31.0-080[] (31mm)

PYF-[][]-PU / PTF-[][]-PU / P2RF-[][]-PU Dimensions 20
PYF-[][]-PU / PTF-[][]-PU / P2RF-[][]-PU Dimensions 21