Page top

Industrial Automation

Industrial Automation

E5CD / E5CD-B

Digital Temperature Controller (48 x 48 mm)

E5CD / E5CD-B

48 x 48 mm. Optimize Control by Detecting Status Changes. Easily Satisfy Both Productivity and Quality.

(Unit: mm)

Controllers

E5CD

E5CD / E5CD-B Dimensions 2

E5CD-B

E5CD / E5CD-B Dimensions 3

The Setup Tool port is on the top of the Digital Temperature Controller.
It is used to connect the Digital Temperature Controller to the computer to use the Setup Tool.
The E58-CIFQ2 USB-Serial Conversion Cable is required to make the connection.
Refer to the instructions that are provided with the USB-Serial Conversion Cable for the connection procedure.

E5CD / E5CD-B Dimensions 4

• Recommended panel thickness is 1 to 5 mm.
• Group mounting is not possible in the vertical direction. (Main-tain the specified mounting space between Controllers.)
• To mount the Controller so that it is waterproof, insert the water-proof packing onto the Controller.
• When two or more Controllers are mounted, make sure that the surrounding temperature does not exceed the allowable operat-ing temperature specified in the specifications.
• Use a control panel thickness of 1 to 3 mm if the Y92A-48N and a USB-Serial Conversion Cable are used together.
• Use a control panel thickness of 1 to 3 mm if the Y92S-P8 and a USB-Serial Conversion Cable are used together.

Note: Do not leave the USB-Serial Conversion Cable connected when you use the Digital Temperature Controller.

Accessories (Order Separately)

USB-Serial Conversion Cable

E58-CIFQ2

E5CD / E5CD-B Dimensions 7

Terminal Covers (Cannot be used on a Push-In Plus terminal block type)

E53-COV17

E5CD / E5CD-B Dimensions 8

Terminal Covers (Cannot be used on a Push-In Plus terminal block type)

E53-COV23 (Three Covers provided.)

E5CD / E5CD-B Dimensions 9

The Terminal Covers are provided with the Digital Temperature Controller.
Order the Terminal Cover separately if it becomes lost or damaged.

Waterproof Packing

Y92S-P8 (for DIN 48 × 48)

E5CD / E5CD-B Dimensions 11

The Waterproof Packing is provided with the Digital Temperature Controller. Order the Waterproof Packing separately if it becomes lost or damaged. The Waterproof Packing can be used to achieve an IP66 degree of protection. (Deterioration, shrinking, or hardening of the waterproof packing may occur depending on the operating environment. Therefore, periodic replacement is recommended to ensure the level of waterproofing specified in IP66. The time for periodic replacement depends on the operating environment. Be sure to confirm this point at your site. Consider three years as rough standard.)

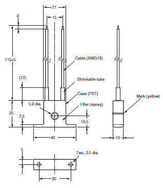
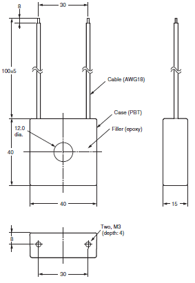
Current Transformers

E54-CT1

E5CD / E5CD-B Dimensions 14

E54-CT1L

E5CD / E5CD-B Dimensions 15

Thru-current (Io) vs. Output Voltage (Eo)
(Reference Values)
E54-CT1 or E54-CT1L

Maximum continuous heater current: 50 A (50/60 Hz)
Number of windings: 400±2
Winding resistance: 18±2 Ω

E5CD / E5CD-B Dimensions 17

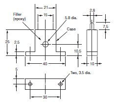
E54-CT3

E5CD / E5CD-B Dimensions 18

E54-CT3 Accessories

E5CD / E5CD-B Dimensions 19

E54-CT3L

E5CD / E5CD-B Dimensions 20

Thru-current (Io) vs. Output Voltage (Eo)
(Reference Values)
E54-CT3 or E54-CT3L

Maximum continuous heater current: 120 A (50/60 Hz)
(Maximum continuous heater current for an OMRON Digital Temperature Controller is 50 A.)
Number of windings: 400±2
Winding resistance: 8±0.8 ΩThru

E5CD / E5CD-B Dimensions 22

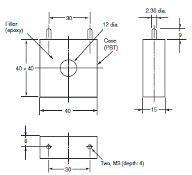
Adapter

Y92F-45

Note:
1. Use this Adapter when the Front Panel has already been prepared for the E5B[].
2. Only black is available.
3. You cannot use the E58-CIFQ2 USB-Serial Conversion Cable if you use the Y92F-45 Adapter. To use the USB-Serial
   Conversion Cable to make the settings, do so before you mount the Digital Temperature Controller in the panel.
4. You cannot use it together with the Y92F-49 Adapter that is enclosed with the Controller.

E5CD / E5CD-B Dimensions 24

Mounting Example

E5CD / E5CD-B Dimensions 25

DIN Track Mounting Adapter (Cannot be used on a Push-In Plus terminal block type)

Y92F-52

Note: This Adapter cannot be used together with the Terminal Cover.
Remove the Terminal Cover to use the Adapter.

E5CD / E5CD-B Dimensions 28

This Adapter is used to mount the E5CD to a DIN Track.
If you use the Adapter, there is no need for a plate to mount in the panel or to drill mounting holes in the panel.

Mounting Example

E5CD / E5CD-B Dimensions 29

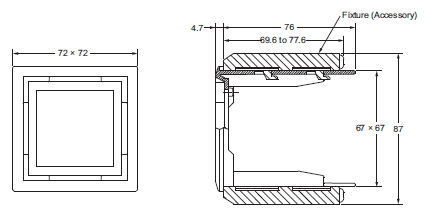
Waterproof Cover

Y92A-48N

E5CD / E5CD-B Dimensions 30

Mounting Adapter

Y92F-49

E5CD / E5CD-B Dimensions 31

The Mounting Adapter is provided with the Digital Temperature Controller.
Order this Adapter separately if it becomes lost or damaged.

Front Cover

Y92A-48D

Note: This Front Cover cannot be used if the Waterproof Packing is installed.

E5CD / E5CD-B Dimensions 35

This Front Cover is soft type. It is able to operate the controller with using this cover.

Front Cover

Y92A-48H

E5CD / E5CD-B Dimensions 36

This Front Cover is hard type. Please use it for the mis-operation prevention etc.

Draw-out Jig (Cannot be used on a Push-In Plus terminal block type)

Y92F-58

Use this Draw-out Jig to remove the interior body of the Digital Temperature Controller from the case to perform maintenance without removing the terminal wiring.

E5CD / E5CD-B Dimensions 39