Page top

Industrial Automation

Industrial Automation

E5CD-800

Digital Temperature Controller (Simple Type) (48 x 48 mm)

E5CD-800

48 x 48 mm. Optimize Control by Detecting Status Changes. Easily Satisfy Both Productivity and Quality.

(Unit: mm)

Controllers

E5CD-800

E5CD-800 Dimensions 2
E5CD-800 Dimensions 3

• Recommended panel thickness is 1 to 5 mm.
• Group mounting is not possible in the vertical direction. (Main-tain the specified mounting space between Controllers.)
• To mount the Controller so that it is waterproof, insert the waterproof packing onto the Controller.
• When two or more Controllers are mounted, make sure that the surrounding temperature does not exceed the allowable operating temperature specified in the specifications.

Accessories (Order Separately)

Terminal Covers

E53-COV17

E5CD-800 Dimensions 5

Terminal Covers

E53-COV23 (Three Covers provided.)

E5CD-800 Dimensions 6

Waterproof Packing

Y92S-P8 (for DIN 48 × 48)

E5CD-800 Dimensions 7

The Waterproof Packing is provided with the Digital Temperature Controller. Order the Waterproof Packing separately if it becomes lost or damaged. The Waterproof Packing can be used to achieve an IP66 degree of protection. (Deterioration, shrinking, or hardening of the waterproof packing may occur depending on the operating environment. Therefore, periodic replacement is recommended to ensure the level of waterproofing specified in IP66. The time for periodic replacement depends on the operating environment. Be sure to confirm this point at your site. Consider three years as rough standard.)

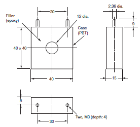
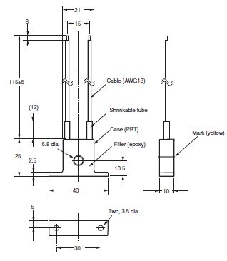
Current Transformers

E54-CT1

E5CD-800 Dimensions 10

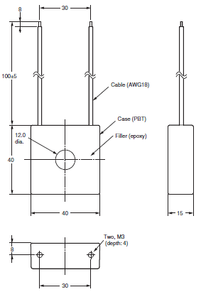
E54-CT1L

E5CD-800 Dimensions 11

Thru-current (Io) vs. Output Voltage (Eo)
(Reference Values)
E54-CT1 or E54-CT1L

Maximum continuous heater current: 50 A (50/60 Hz)
Number of windings: 400±2
Winding resistance: 18±2 Ω

E5CD-800 Dimensions 13

E54-CT3

E5CD-800 Dimensions 14

E54-CT3 Accessories

E5CD-800 Dimensions 15

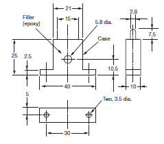
E54-CT3L

E5CD-800 Dimensions 16

Thru-current (Io) vs. Output Voltage (Eo)
(Reference Values)
E54-CT3 or E54-CT3L

Maximum continuous heater current: 120 A (50/60 Hz)
(Maximum continuous heater current for an OMRON Digital Temperature Controller is 50 A.)
Number of windings: 400±2
Winding resistance: 8±0.8 ΩThru

E5CD-800 Dimensions 18

Adapter

Y92F-45

Note:
1. Use this Adapter when the Front Panel has already been prepared for the E5B[].
2. Only black is available.
3. You cannot use it together with the Y92F-49 Adapter that is enclosed with the Controller.

E5CD-800 Dimensions 20

Mounting Example

E5CD-800 Dimensions 21

DIN Track Mounting Adapter

Y92F-52

Note: This Adapter cannot be used together with the Terminal Cover.
Remove the Terminal Cover to use the Adapter.

E5CD-800 Dimensions 24

This Adapter is used to mount the E5CD-800 to a DIN Track.
If you use the Adapter, there is no need for a plate to mount in the panel or to drill mounting holes in the panel.

Mounting Example

E5CD-800 Dimensions 25

Waterproof Cover

Y92A-48N

E5CD-800 Dimensions 26

Mounting Adapter

Y92F-49

E5CD-800 Dimensions 27

The Mounting Adapter is provided with the Digital Temperature Controller.
Order this Adapter separately if it becomes lost or damaged.

Front Cover

Y92A-48D

Note: This Front Cover cannot be used if the Waterproof Packing is installed.

E5CD-800 Dimensions 31

This Front Cover is soft type. It is able to operate the controller with using this cover.

Front Cover

Y92A-48H

E5CD-800 Dimensions 32

This Front Cover is hard type. Please use it for the mis-operation prevention etc.

Draw-out Jig

Y92F-58

Use this Draw-out Jig to remove the interior body of the Digital Temperature Controller from the case to perform maintenance without removing the terminal wiring.

E5CD-800 Dimensions 35