Page top

Industrial Automation

Industrial Automation

E5ED-800

Digital Temperature Controller (Simple Type) (48 x 96 mm)

E5ED-800

Optimize Control by Detecting Status Changes. Easily Satisfy Both Productivity and Quality.

(Unit: mm)

Controllers

E5ED-800

E5ED-800 Dimensions 1

• Recommended panel thickness is 1 to 8 mm.
• Group mounting is not possible in the vertical direction. (Maintain the specified mounting space between Controllers.)
• To mount the Controller so that it is waterproof, insert the waterproof packing onto the Controller.
• When two or more Controllers are mounted, make sure that the surrounding temperature does not exceed the allowable operating temperature specified in the specifications.

Accessories (Order Separately)

Terminal Covers

E53-COV24 (Three Covers provided.)

E5ED-800 Dimensions 4

Waterproof Packing

Y92S-P9 (for DIN 48 × 96)

E5ED-800 Dimensions 6

The Waterproof Packing is provided with the Digital Temperature Controller. Order the Waterproof Packing separately if it becomes lost or damaged. The Waterproof Packing can be used to achieve an IP66 degree of protection. (Deterioration, shrinking, or hardening of the waterproof packing may occur depending on the operating environment. Therefore, periodic replacement is recommended to ensure the level of waterproofing specified in IP66. The time for periodic replacement depends on the operating environment. Be sure to confirm this point at your site. Consider three years as a rough standard.)

Mounting Adapter

Y92F-51 (Two Adapters provided.)

E5ED-800 Dimensions 8

One pair is provided with the Controller.
Order this Adapter separately if it becomes lost or damaged.

Waterproof Cover

Y92A-49N (for DIN 48 × 96)

E5ED-800 Dimensions 9

Draw-out Jig

Y92F-59

Use this Draw-out Jig to remove the interior body of the Digital Temperature Controller from the case to perform maintenance without removing the terminal wiring.

E5ED-800 Dimensions 11

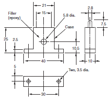
Current Transformers

E54-CT1

E5ED-800 Dimensions 12

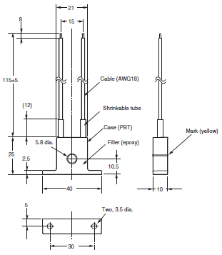
E54-CT1L

E5ED-800 Dimensions 13

Thru-current (Io) vs. Output Voltage (Eo)
(Reference Values)
E54-CT1 or E54-CT1L

Maximum continuous heater current: 50 A (50/60 Hz)
Number of windings: 400±2
Winding resistance: 18±2 Ω

E5ED-800 Dimensions 15

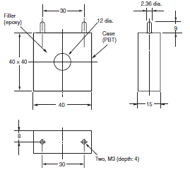
E54-CT3

E5ED-800 Dimensions 16

E54-CT3 Accessories

E5ED-800 Dimensions 17

E54-CT3L

E5ED-800 Dimensions 18

Thru-current (Io) vs. Output Voltage (Eo)
(Reference Values)
E54-CT3 or E54-CT3L

Maximum continuous heater current: 120 A (50/60 Hz)
(Maximum continuous heater current for an OMRON Digital Temperature Controller is 50 A.)
Number of windings: 400±2
Winding resistance: 8±0.8 Ω

E5ED-800 Dimensions 20