Page top

Industrial Automation

Industrial Automation

K6CM

Motor Condition Monitoring Device

K6CM

Quantifying the status of a three-phase induction motor.

(Unit: mm)

K6CM-CI

List of Models

K6CM-CI

K6CM Dimensions 3

CT

K6CM-CICB005

K6CM Dimensions 5

K6CM-CICB025

K6CM Dimensions 6

K6CM-CICB100

K6CM Dimensions 7

K6CM-CICB200

K6CM Dimensions 8

K6CM-CICB400
K6CM-CICB600

K6CM Dimensions 9

Cable supplied with CT

K6CM Dimensions 10

The cable supplied with the CT is shipped in the connected state.

K6CM-VB

List of Models

K6CM-VB

K6CM Dimensions 13

Vibration & temperature sensor

K6CM-VBS1

Pre-amplifier

K6CM Dimensions 16

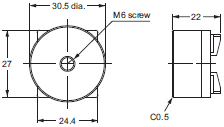
Sensor head

K6CM Dimensions 17

K6CM-VBSAT1

Adhesive attachment
Use the adhesive attachment if the motor cannot be tapped.

Sensor head

K6CM Dimensions 19

Material: Stainless steel

How to Attach the Sensor Head
Prepare a flat surface with a radius of at least 25 mm on the motor outer casing (*).
Attach the attachment to the flat surface you prepared with an adhesive.
Screw the vibration sensor head into the attachment.
* The position above the bearing on the load side is recommended.

K6CM-VBSAT2

Magnet mounting attachment
The magnet mounting attachment can be used when the motor case is made of magnetic material such as steel. Mountable even if the installation surface is curved.

K6CM Dimensions 21

Material: Stainless steel

K6CM-IS

List of Models

K6CM-IS

K6CM Dimensions 24

ZCT (IRT)

Indoor split type
K6CM-ISZBI52

K6CM Dimensions 26