Page top

Industrial Automation

Industrial Automation

FH-SMD

3D Robot Vision System

FH-SMD

A complete solution for automating human-intensive part picking

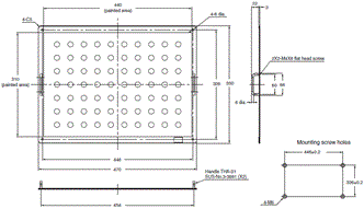
(Unit: mm)

3D Vision Sensor

FH-SMDA-GS050B

FH-SMD Dimensions 1

Sensor Controller

FH-5052/5051

FH-SMD Dimensions 2

Camera cable (Ethernet cable, Straight)

FHV-VNBX2 []M

FH-SMD Dimensions 3

Camera cable (Ethernet cable, Right-angle)

FHV-VNLBX2 []M

FH-SMD Dimensions 4

Camera I/O Cables (Straight)

FH-VSDX-BX []M

FH-SMD Dimensions 5

Camera I/O Cables (Right-angle)

FH-VSDX-LBX []M

FH-SMD Dimensions 6

Calibration Targets

Handeye Calibration Target

FH-XCAL-R

FH-SMD Dimensions 8

Camera Calibration Target

FH-XCAL-S

FH-SMD Dimensions 9

Parallel I/O Cable

XW2Z-S013-[]

FH-SMD Dimensions 10

Touch Panel Monitor

FH-MT12

FH-SMD Dimensions 11

DVI-Analog Conversion Cable for Touch Panel Monitor/LCD Monitor

FH-VMDA

FH-SMD Dimensions 12

RS-232C Cable for Touch Panel Monitor

XW2Z-[][][]PP-1

FH-SMD Dimensions 13

USB Cable for Touch Panel Monitor

FH-VUAB

FH-SMD Dimensions 14

LCD Monitor

FZ-M08

FH-SMD Dimensions 15