Page top

Industrial Automation

Industrial Automation

Viper

Articulated Robots

Viper

Articulated robot for machining, assembly, and material handling

ACE software is available to download from the Omron US website.

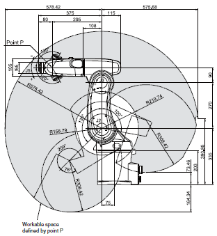
(Unit: mm)

Viper 650 EtherCAT version

Viper 650

Viper Dimensions 2

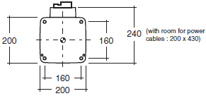
eCS-ECAT

Weight : 8.68 kg

Viper Dimensions 3

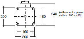
Front panel

Viper Dimensions 4

Footprint

Viper Dimensions 5

Flange

Viper Dimensions 6

Viper 650

Viper 650

Viper Dimensions 8

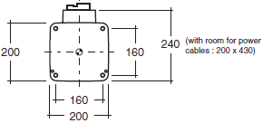
eMotionBlox-60R

Weight : 9.3 kg

Viper Dimensions 9

Front panel

Viper Dimensions 10

Footprint

Viper Dimensions 11

Flange

Viper Dimensions 12

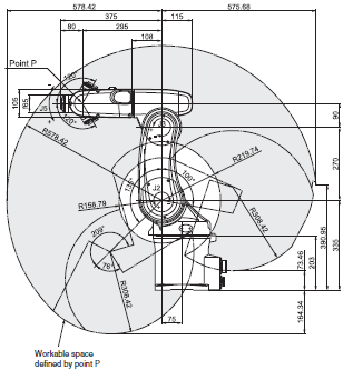
Viper 850 EtherCAT version

Viper 850

Viper Dimensions 14

eCS-ECAT

Weight: 8.68 kg

Viper Dimensions 15

Front panel

Viper Dimensions 16

Footprint

Viper Dimensions 17

Flange

Viper Dimensions 18

Viper 850

Viper 850

Viper Dimensions 20

eMotionBlox-60R

Weight : 9.3 kg

Viper Dimensions 21

Front panel

Viper Dimensions 22

Footprint

Viper Dimensions 23

Flange

Viper Dimensions 24