Page top

Industrial Automation

Industrial Automation

FS Series (Camera Link Line Scanning Camera)

Camera Link Line Scanning Camera

FS Series (Camera Link Line Scanning Camera)

Camera Link Line Scanning Camera

(Unit: mm)

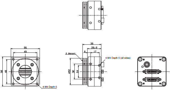
C Mount (2K/4K)

FS Series (Camera Link Line Scanning Camera) Dimensions 1

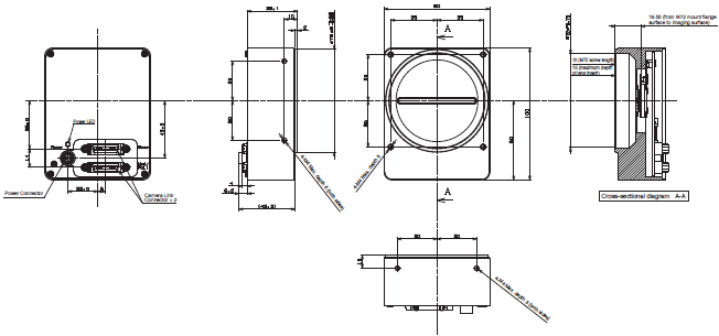
F Mount (2K/4K/8K)

FS Series (Camera Link Line Scanning Camera) Dimensions 2

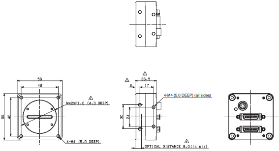
M42 Mount (2K/4K/8K)

FS Series (Camera Link Line Scanning Camera) Dimensions 3

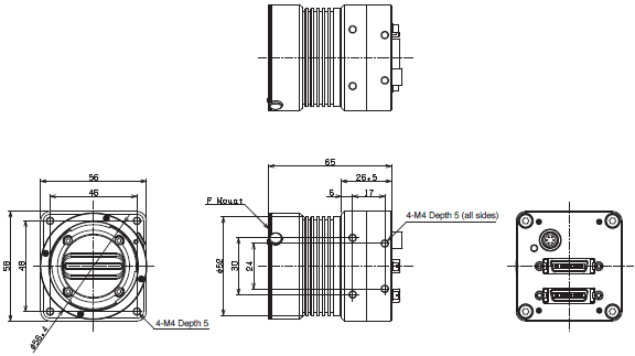
M72 Mount (8K/16K)

FS Series (Camera Link Line Scanning Camera) Dimensions 4