NX-series Advanced Temperature Control Units
last update: April 24, 2023
| Item | Specification | |
|---|---|---|
| Enclosure | Mounted in a panel | |
| Grounding method | Ground to 100 Ω or less | |
| Operating environment | Ambient operating temperature | 0 to 55°C |
| Ambient operating humidity | 10 to 95% (with no condensation or icing) | |
| Atmosphere | Must be free from corrosive gases. | |
| Ambient storage temperature | -25 to 70°C (with no condensation or icing) | |
| Altitude | 2,000 m max. | |
| Pollution degree | Pollution degree 2 or less: Conforms to IEC 61010-2-201. | |
| Noise immunity | Conforms to IEC 61000-4-4, 2 kV (power supply line) | |
| Overvoltage category | Category II: Conforms to IEC 61010-2-201. | |
| EMC immunity level | Zone B | |
| Vibration resistance | Conforms to IEC 60068-2-6.
5 to 8.4 Hz with amplitude of 3.5 mm, 8.4 to 150 Hz, acceleration of 9.8 m/s2 100 min each in X, Y, and Z directions (10 sweeps of 10 min each = 100 min total) |
|
| Shock resistance | Conforms to IEC 60068-2-27. 147 m/s2, 3 times each in X, Y, and Z directions | |
| Insulation resistance | Refer to individual specifications of each NX Unit. | |
| Dielectric strength | Refer to individual specifications of each NX Unit. | |
| Applicable standards * | cULus: Listed (UL 61010-2-201), UL121201,
EU: EN 61131-2, RCM, KC: KC Registration, UKCA |
|
Ask your OMRON representative for the most recent applicable standards for each model.
| Function name | Description | Applicable Units | |
|---|---|---|---|
| Free-Run Refreshing | With this I/O refreshing method, the refresh cycle of the NX bus and the I/O refresh cycles of the NX Units are asynchronous. | All models | |
| Selecting Channel To Use | This function disables control processing, error detection, and output for unused channels. The conversion time for its own Unit will not be shortened even if errors are disabled. | All models | |
| Input Functions | Input Type Setting | This function sets the following input type of sensor input which is connected to the temperature input.
Thermocouple, platinum resistance thermometer, or analog (current: 4 to 20 mA / 0 to 20 mA, voltage: 1 to 5 V / 0 to 5 V / 0 to 10 V) |
All models |
| Temperature Unit Setting (°C/°F) | This function sets the temperature units for measured values to °C (Celsius) or °F (Fahrenheit). | All models | |
| Decimal Point Position Setting | This function sets the number of digits displayed after the decimal point for INT type parameters of measured values, set points and alarm values (including alarm upper / lower limits). If the decimal point position for the above-mentioned parameters is fixed in a host device, design changes concerning the decimal point position can be absorbed when replacing a third-party temperature control Unit. | All models | |
| Cold Junction Compensation Enable/Disable Setting | This function enables or disables cold junction compensation using the cold junction sensor that is mounted on the terminal block when a thermocouple input is used. | All models | |
| Temperature Input Correction | This function corrects measured values. When there are variations in the sensor or when there is a difference in measured value from other measuring instruments. One-point correction and two-point correction methods are provided. | All models | |
| Input Digital Filter | This function sets the time constant applied to the first-order lag operation filter so that the noise components mixed with the measured value are eliminated. | All models | |
| Measuring the Ambient Temperature Around Terminals | This function measures the temperature around the terminals of the Advanced Temperature Control Unit. | All models | |
| Analog Input Setting | This function is for analog input and sets the scaling to use the physical analog quantities of current and voltage as inputs for the control application. | All models | |
| Control Processing | ON/OFF Control | This control function uses a preset set point to turn off the control output when the temperature reaches the set point during control. | All models |
| PID Control | PID control is a combination of proportional (P) control, integral (I) control, and differential (D) control. It is a control function that feeds back the detected value to the set point so that they conform to each other. | All models | |
| Heating/Cooling Control | This function controls both heating and cooling. | Heating/cooling control type models | |
| Run or Stop Controls | This function starts and stops temperature control. | All models | |
| Direct/Reverse Operation | This function specifies direct or reverse operation. | All models | |
| Manual MV (Manual Manipulated Variable) | This function outputs the specified manipulated variable during PID control. | All models | |
| MV at Error | This function outputs a fixed manipulated variable when a Sensor Disconnected Error occurs. | All models | |
| MV Limit | This function adds a limit to the manipulated variable calculated by PID control and outputs it. | All models | |
| Load Rejection MV | The load rejection means that the connection to the Advanced Temperature Control Unit is interrupted due to a communications error between the CPU Unit and the Communications Coupler Unit host or due to an error on the NX bus.
This function performs a preset output operation if any of the following problems occur. -The Advanced Temperature Control Unit connected to the CPU Unit cannot receive the output setting values from the CPU Unit due to an NX bus error or CPU watchdog timer error. -The Slave Terminal cannot receive the output setting values due to a communications error between the Advanced Temperature Control Unit and the Communications Coupler Unit host or due to an error on the NX bus. |
All models | |
| Load Short-circuit Protection | The load short-circuit means that an external device (SSR) connected to the voltage output (for driving SSR) of the Advanced Temperature Control Unit is shortcircuited.
The load short-circuit protection is a function of the Advanced Temperature Control Unit with voltage output (for driving SSR), which protects output circuits of the Advanced Temperature Control Unit when an external device (SSR) connected to the voltage output (for driving SSR) is shortcircuited. |
Models with voltage output (for driving SSR) | |
| MV Branch | The manipulated variables calculated by the slope or offset are output to the branch-destination channel based on the manipulated variables of the branch-source channel. | Standard control type models | |
| Disturbance Suppression (Pre-boost) | This function suppresses temperature variations by adding a preset manipulated variable before temperature variations occur due to a disturbance. | Standard control type models | |
| Tuning | AT (Autotuning) | This is a tuning method that derives the PID constant. This function automatically calculates the PID constant by the limit cycle method according to the characteristics of the control target. | All models |
| D-AT (Disturbance Autotuning) | This function automatically calculates disturbance suppression (Pre- boost) function parameters such as FF waiting time, FF operation time, and FF segments 1 to 4 manipulated variables. | Standard control type models | |
| Control Output | Control Period | This function sets the period when the ON/OFF time ratio is changed for voltage output (for driving SSR) in time-proportional operation. | Models with voltage output (for driving SSR) |
| Minimum Output ON/OFF Band | This function specifies the minimum ON/OFF bands for the heating side control output or the cooling side control output. This function can be used to prevent deterioration of mechanical relays when mechanical relays are used in the actuators connected to the output terminals. | Models with voltage output (for driving SSR) | |
| Output Signal Range Setting | This function sets the output signal range of the linear current output. You can specify 4 to 20 mA or 0 to 20 mA. | Models with linear current output | |
| Error Detection | Temperature Alarms | Function for detecting a deviation or an error in the measured value as an alarm. Alarm operation corresponding to the use can be performed by selecting “Alarm type”. | All models |
| LBA (Loop Burnout Alarm) | Function for detecting, as an alarm, the error location in the control loop when there is no change in the measured value while a control deviation equal to or more than the threshold value exists between the set point and the measured value. This function can be used only for temperature input. | All models | |
| Sensor Disconnection Detection | This function detects disconnections in temperature sensors. It also detects that the measured value of the temperature sensor is outside the input indication range. | All models | |
| Heater Burnout Detection | This function detects heater burnouts. A heater burnout is detected if the control output is ON and the heater current is equal to or less than the heater burnout detection current. | Models with CT input | |
| SSR Failure Detection | This function detects SSR failures. An SSR failure is detected if the control output is OFF and the leakage current is equal to or greater than the SSR failure detection current. An SSR failure is a failure that is caused by an SSR short-circuit. | Models with CT input | |
| Predictive maintenance | Feature Visualization | This function enables monitoring of features (as feature data) appearing in the control waveform of set point and disturbance responses. | All models |
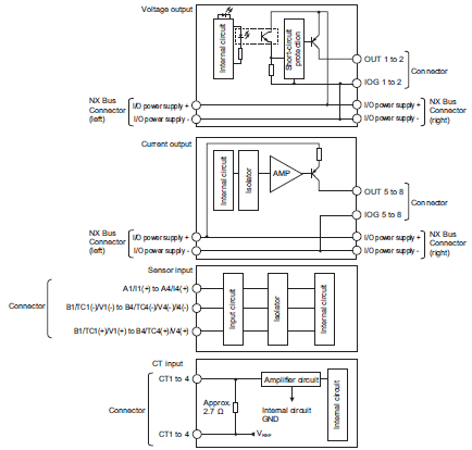
| Unit name | Advanced Temperature Control Units (4-Channel Type) | Model | NX-HTC3510-5 | |||
|---|---|---|---|---|---|---|
| Number of Channels | 4 channels | Control type | Heating and cooling control | |||
| Number of points per channel | •Universal inputs: 1 point per channel (4 points per Unit)
•CT Input: 1 point per channel (4 points per Unit) •Control Output: 2 points per channel (8 points per Unit) |
External connection terminal | MIL connector 34 poles, 2 rows *4 | |||
| I/O refreshing method | Free-Run Refreshing | |||||
| Indicators | TS indicator and output indicators
![]() |
CT Input section | CT current input range | 0 to 0.125 A | ||
| Input resistance | Approx. 2.7 Ω | |||||
| Connectable CTs | E54-CT1, E54-CT3, E54-CT1L, and E54-CT3L | |||||
| Maximum heater current | 50 A AC | |||||
| Resolution | 0.1 A | |||||
| Overall accuracy (25°C) | ±5% (full scale) ±1 digit | |||||
| Influence of temperature (0 to 55°C) | ±2% (full scale) ±1 digit | |||||
| Conversion time | 50 ms per Unit | |||||
| Sensor Input section | Sensor type *1 | •Thermocouple input: K, J, T, E, L, U, N, R, S, B, C/W, PL II
•Platinum resistance thermometer input: Pt100 (three-wire), JPt100 (three-wire) •Analog input Current: 4 to 20 mA, 0 to 20 mA Voltage: 1 to 5 V, 0 to 5 V, 0 to 10 V |
Control Output section | Common | Control output type and number of control outputs per channel | Voltage output for driving SSR, 1 point per channel
Linear current output, 1 point per channel |
| Number of control output Methods points | 8 (heating: 4, cooling: 4) | |||||
| Manipulated variable | -105 to +105% | |||||
| Rated Voltage | 24 VDC | |||||
| Input impedance | Thermocouple input: 20 Ω min.
Analog voltage input: 1 MΩ min. Analog current input: 150 Ω max. |
Operating Load Voltage Range | 12 to 28.8 VDC | |||
| Voltage output (for driving SSR) | Internal I/O common | PNP | ||||
| Resolution | •0.01°C max. (Thermocouple K (input type):
-50 to 700°C and Pt100: -200 to 500°C only) •0.1°C max. (except for the above-mentioned) |
Control Period | 0.1, 0.2, 0.5, 1 to 99s | |||
| Maximum load current | 21 mA per point, 84 mA per Unit | |||||
| Reference accuracy | *2 | Maximum Inrush Current | 0.3 A max. per point, 10 ms max. | |||
| Temperature coefficient | *2 | Leakage current | 0.1 mA max. | |||
| Cold junction compensation error | ±1.2°C *3 | Residual voltage | 1.5 V max. | |||
| Input disconnection detection current | Approx. 0.1 uA | Load Short-circuit Protection | Provided | |||
| Input detection current | 0.25 mA | Linear current output | Allowable load resistance | 350 Ω max. | ||
| Effect of conductor resistance | •Thermocouple input: 0.1°C/Ω
(100 Ω or less per conductor) •Platinum resistance thermometer input: 0.06°C/Ω (20 Ω or less per conductor) |
Resolution | 1/10,000 | |||
| Output range | 0 to 20 mA
4 to 20 mA |
|||||
| Overall accuracy (25°C) | ±0.3% of full scale, but 1% of full scale at 0 to 4 mA of 0 to 20 mA range | |||||
| Warm-up period | 30 minutes | Influence of temperature (0 to 55°C) | ±0.3% (full scale) | |||
| Conversion time | 50 ms per Unit | |||||
| Dimensions | 30 mm (W) ×100 mm (H) ×71 mm (D) | Isolation method | •Between sensor inputs and internal circuitry: Power = Transformer, Signal = Digital isolator
•Between sensor inputs: Power = Transformer, Signal = Digital isolator •No isolation between internal circuits and CT inputs •Between control output and internal circuit: Photocoupler (voltage output), digital isolator (linear current output) •No isolation between control outputs |
|||
| Insulation resistance | 20 MΩ min. between isolated circuits (at 100 VDC) | Dielectric strength | 510 VAC between isolated circuits for 1 minute with a leakage current of 5 mA max. | |||
| I/O power supply method | Supplied from the NX bus. | Current capacity of I/O power supply terminals | IOG: 0.1 A max. per terminal | |||
| NX Unit power consumption | •Connected to a CPU Unit 1.55 W max.
•Connected to Communications Coupler Unit 1.35 W max. |
Current consumption from I/O powe supply | 30 mA max. | |||
| Weight | 125 g max. | |||||
| Circuit configuration | ![]() |
|||||
| Installation orientation and restrictions | Mounting orientation:
•Connect to CPU Unit Front mounting orientation is possible •Connect to Communications Coupler Unit Six orientations are possible Limitation: The cold junction compensation error varies according to the input type. For details, refer to Cold Junction Compensation Error Specifications for Units That Take a Thermocouple Input Type. |
|||||
| Terminal connection diagram *5 | ![]() |
|||||
*1. For the setting ranges and indication ranges of the sensors, refer to the Input types.
*2. For details, refer to the Reference Accuracy and Temperature Coefficient Table.
*3. For details, refer to Cold Junction Compensation Error Specifications for Units That Take a Thermocouple Input Type.
*4. Make sure you use an Connector-Terminal Block Conversion Unit to route the sensor input side.
The recommended Connector-Terminal Block Conversion Unit is XW2K-34G-T and its dedicated connecting cable is XW2Z-[][][]EE.
*5. The cold junction sensor used for cold junction compensation is provided with the Advanced Temperature Control Unit. (The sensor is not premounted on the Unit.) Make sure you connect the cold junction sensor to the Ultra-Compact Interface Wiring System (XW2K-34G-T) before using the Advanced Temperature Control Unit.
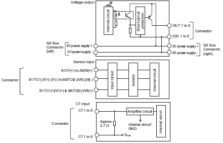
| Unit name | Advanced Temperature Control Units (8-Channel Type) | Model | NX-HTC4505-5 | |||
|---|---|---|---|---|---|---|
| Number of Channels | 8 channels | Control type | Standard control | |||
| Number of points per channel | • Universal inputs: 1 point per channel (8points per Unit)
• CT Input: 1 point per channel (8 points per Unit) • Control Output: 1 point per channel (8 points per Unit) |
External connection terminal | MIL connector 34 poles, 2 rows *4 | |||
| I/O refreshing method | Free-Run Refreshing | |||||
| Indicators | TS indicator and output indicators
![]() |
CT Input section | CT current input range | 0 to 0.125 A | ||
| Input resistance | Approx. 2.7 Ω | |||||
| Connectable CTs | E54-CT1, E54-CT3, E54-CT1L, and E54-CT3L | |||||
| Maximum heater current | 50 A AC | |||||
| Resolution | 0.1 A | |||||
| Overall accuracy (25°C) | ±5% (full scale) ±1 digit | |||||
| Influence of temperature (0 to 55°C) | ±2% (full scale) ±1 digit | |||||
| Conversion time | 50 ms per Unit | |||||
| Sensor Input section | Sensor type *1 | • Thermocouple input: K, J, T, E, L, U, N, R, S, B, C/W, PL II
• Platinum resistance thermometer input: Pt100 (three-wire), JPt100 (three-wire) • Analog input Current: 4 to 20 mA, 0 to 20 mA Voltage: 1 to 5 V, 0 to 5 V, 0 to 10 V |
Control Output section | Common | Control output type and number of control outputs per channel | Voltage output for driving SSR, 1 point
per channel |
| Number of control output Methods points | 8 | |||||
| Manipulated variable | -5 to +105% | |||||
| Rated Voltage | 24 VDC | |||||
| Input impedance | Thermocouple input: 20 Ω min.
Analog voltage input: 1 MΩ min. Analog current input: 150 Ω max. |
Operating Load Voltage Range | 12 to 28.8 VDC | |||
| Voltage output (for driving SSR) | Internal I/O common | PNP | ||||
| Resolution | • 0.01°C max. (Thermocouple K (input type):
-50 to 700°C and Pt100: -200 to 500°C only) • 0.1°C max. (except for the abovementioned) |
Control Period | 0.1, 0.2, 0.5, 1 to 99s | |||
| Maximum load current | 21 mA per point, 168 mA per Unit | |||||
| Reference accuracy | *2 | Maximum Inrush Current | 0.3 A max. per point, 10 ms max. | |||
| Temperature coefficient | *2 | Leakage current | 0.1 mA max. | |||
| Cold junction compensation error | ±1.2°C *3 | Residual voltage | 1.5 V max. | |||
| Input disconnection detection current | Approx. 0.1 uA | Load Short-circuit Protection | Provided | |||
| Input detection current | 0.25 mA | Linear current output | Allowable load resistance | --- | ||
| Effect of conductor resistance | • Thermocouple input: 0.1°C/Ω
(100 Ω or less per conductor) • Platinum resistance thermometer input: 0.06°C/Ω (20 Ω or less per conductor) |
Resolution | --- | |||
| Output range | --- | |||||
| Overall accuracy (25°C) | --- | |||||
| Warm-up period | 30 minutes | Influence of temperature (0 to 55°C) | --- | |||
| Conversion time | 50 ms per Unit | |||||
| Dimensions | 30 mm (W) ×100 mm (H) ×71 mm (D) | Isolation method | • Between sensor inputs and internal
circuitry: Power = Transformer, Signal = Digital isolator • Between sensor inputs: Power = Transformer, Signal = Digital isolator • No isolation between internal circuits and CT inputs • Between control output and internal circuit: Photocoupler (voltage output) • No isolation between control outputs |
|||
| Insulation resistance | 20 MΩ min. between isolated circuits (at 100 VDC) | Dielectric strength | 510 VAC between isolated circuits for 1
minute with a leakage current of 5 mA max. |
|||
| I/O power supply method | Supplied from the NX bus. | Current capacity of I/O power supply terminals | IOG: 0.1 A max. per terminal | |||
| NX Unit power consumption | • Connected to a CPU Unit 1.95 W max.
• Connected to Communications Coupler Unit 1.65 W max. |
Current consumption from I/O powe supply | 20 mA max. | |||
| Weight | 130 g max. | |||||
| Circuit configuration | ![]() |
|||||
| Installation orientation and restrictions | Mounting orientation:
• Connect to CPU Unit Front mounting orientation is possible • Connect to Communications Coupler Unit Six orientations are possible Limitation: The cold junction compensation error varies according to the input type. For details, refer to Cold Junction Compensation Error Specifications for Units That Take a Thermocouple Input Type. |
|||||
| Terminal connection diagram *5 | ![]() |
|||||
*1. For the setting ranges and indication ranges of the sensors, refer to the Input types.
*2. For details, refer to the Reference Accuracy and Temperature Coefficient Table.
*3. For details, refer to Cold Junction Compensation Error Specifications for Units That Take a Thermocouple Input Type.
*4. Make sure you use an Connector-Terminal Block Conversion Unit to route the sensor input side. The recommended Connector-Terminal Block Conversion Unit is XW2K-34G-T and its dedicated connecting cable is XW2Z-[][][] EE.
*5. The cold junction sensor used for cold junction compensation is provided with the Advanced Temperature Control Unit. (The sensor is not premounted on the Unit.) Make sure you connect the cold junction sensor to the Ultra-Compact Interface Wiring System (XW2K-34G-T) before using the Advanced Temperature Control Unit.
The settings are shown in the following table.
| Setting name *1 | Display of support software | Description | Default | Setting range | Unit | Change application timing |
|---|---|---|---|---|---|---|
| Ch[] input type | Ch[] Input Type | Sets the input type. | 0: Pt100 -200.00 to
500.00°C |
Refer to the table below. | No | After Unit restart |
*1.[] represents the channel number.
| Set values | Input types | Input indication range | Remarks | |
|---|---|---|---|---|
| Sensor | Input setting range | |||
| 0 | Pt100 | -200.00 to 500.00°C/-300.00 to 920.00°F | -220.00 to 520.00°C/-420.00 to 960.00°F *1 | Resistance thermometer |
| 1 | Pt100 | -200.0 to 850.0°C/-300.0 to 1500.0°F | -220.0 to 870.0°C/-340.0 to 1540.0°F | |
| 2 | JPt100 | -199.9 to 500.0°C/-199.9 to 900.0°F | -219.9 to 520.0°C/-239.9 to 940.0°F | |
| 3 | K | -50.00 to 700.00°C/-50.00 to 1280.00°F | -70.00 to 720.00°C/-160.00 to 1320.00°F *1 | Thermocouple |
| 4 | K | -200.0 to 1300.0°C/-300.0 to 2300.0°F | -220.0 to 1320.0°C/-340.0 to 2340.0°F | |
| 5 | J | -100.0 to 850.0°C/-100.0 to 1500.0°F | -120.0 to 870.0°C/-140.0 to 1540.0°F | |
| 6 | T | -200.0 to 400.0°C/-300.0 to 700.0°F | -220.0 to 420.0°C/-340.0 to 740.0°F | |
| 7 | E | -200.0 to 600.0°C/-300.0 to 1100.0°F | -220.0 to 620.0°C/-340.0 to 1140.0°F | |
| 8 | L | -100.0 to 850.0°C/-100.0 to 1500.0°F | -120.0 to 870.0°C/-140.0 to 1540.0°F | |
| 9 | U | -200.0 to 400.0°C/-300.0 to 700.0°F | -220.0 to 420.0°C/-340.0 to 740.0°F | |
| 10 | N | -200.0 to 1300.0°C/-300.0 to 2300.0°F | -220.0 to 1320.0°C/-340.0 to 2340.0°F | |
| 11 | R | 0.0 to 1700.0°C/0.0 to 3000.0°F | -20.0 to 1720.0°C/-40.0 to 3040.0°F | |
| 12 | S | 0.0 to 1700.0°C/0.0 to 3000.0°F | -20.0 to 1720.0°C/-40.0 to 3040.0°F | |
| 13 | B | 0.0 to 1800.0°C/0.0 to 3200.0°F | -20.0 to 1820.0°C/-40.0 to 3240.0°F | |
| 14 | C/W | 0.0 to 2300.0°C/0.0 to 3200.0°F | -20.0 to 2320.0°C/-40.0 to 3240.0°F | |
| 15 | PLII | 0.0 to 1300.0°C/0.0 to 2300.0°F | -20.0 to 1320.0°C/-40.0 to 2340.0°F | |
| 16 | 4 to 20 mA | Usable in the following ranges by scaling
-19999 to 32400 -1999.9 to 3240.0 -199.99 to 324.00 -19.999 to 32.400 |
-5 to 105% of the input setting range, within the data type range *1 | Analog |
| 17 | 0 to 20 mA | |||
| 18 | 1 to 5 V | |||
| 19 | 0 to 5 V | |||
| 20 | 0 to 10 V | |||
*1. For measured values (INT), use the INT type range if the input indication range exceeds the INT type range (-32768 to 32767).
Reference accuracies and temperature coefficients are shown below by input type and measurement temperature.
To convert the temperature Unit from Celsius to Fahrenheit, use the following equation.
Fahrenheit temperature (°F) = Celsius temperature (°C) x 1.8 + 32
| Set values | Input type | Measurement temperature (°C) | Reference accuracy °C (%) | Temperature coefficient °C/°C *1
(ppm/°C *2) |
|
|---|---|---|---|---|---|
| Sensor | Temperature range (°C) | ||||
| 0 | Pt100 | -200.00 to 500.00 | -200.00 to 300.00 | ±0.70 (±0.1%) | ±0.10 (±150 ppm/°C) |
| 300.00 to 500.00 | ±0.20 (±300 ppm/°C) | ||||
| 1 | Pt100 | -200.0 to 850.0 | -200.0 to 300.0 | ±1.0 (±0.1%) | ±0.1 (±100 ppm/°C) |
| 300.0 to 700.0 | ±2.0 (±0.2%) | ±0.2 (±200 ppm/°C) | |||
| 700.0 to 850.0 | ±2.5 (±0.25%) | ±0.25 (±250 ppm/°C) | |||
| 2 | JPt100 | -199.9 to 500.0 | -199.9 to 300.0 | ±0.8 (±0.12%) | ±0.1 (±150 ppm/°C) |
| 300.0 to 500.0 | ±0.2 (±300 ppm/°C) | ||||
| 3 | K | -50.00 to 700.00 | -50.0 to 400.0 | ±0.75 (±0.1%) | ±0.30 (±400 ppm/°C) |
| 400.0 to 700.0 | ±0.38 (±510 ppm/°C) | ||||
| 4 | K | -200.00 to 1300.00 | -200.0 to -100.0 | ±1.5 (±0.1%) | ±0.15 (±100 ppm/°C) |
| -100.0 to 400.0 | ±0.30 (±200 ppm/°C) | ||||
| 400.0 to 1300.0 | ±0.38 (±250 ppm/°C) | ||||
| 5 | J | -100.0 to 850.0 | -100.0 to 400.0 | ±1.4 (±0.15%) | ±0.14 (±150 ppm/°C) |
| 400.0 to 850.0 | ±1.2 (±0.13%) | ±0.28 (±300 ppm/°C) | |||
| 6 | T | -200.0 to 400.0 | -200.0 to -100.0 | ±1.2 (±0.2%) | ±0.30 (±500 ppm/°C) |
| -100.0 to 400.0 | ±0.12 (±200 ppm/°C) | ||||
| 7 | E | -200.0 to 600.0 | -200.0 to 400.0 | ±1.2 (±0.15%) | ±0.12 (±150 ppm/°C) |
| 400.0 to 600.0 | ±2.0 (±0.25%) | ±0.24 (±300 ppm/°C) | |||
| 8 | L | -100.0 to 850.0 | -100.0 to 300.0 | ±1.1 (±0.12%) | ±0.11 (±120 ppm/°C) |
| 300.0 to 700.0 | ±2.2 (±0.24%) | ±0.22 (±240 ppm/°C) | |||
| 700.0 to 850.0 | ±0.28 (±300 ppm/°C) | ||||
| 9 | U | -200.0 to 400.0 | -200.0 to 400.0 | ±1.2 (±0.2%) | ±0.12 (±200 ppm/°C) |
| 10 | N | -200.0 to 1300.0 | -200.0 to 400.0 | ±1.5 (±0.1%) | ±0.30 (±200 ppm/°C) |
| 400.0 to 1000.0 | |||||
| 1000.0 to 1300.0 | ±0.38 (±250 ppm/°C) | ||||
| 11 | R | 0.0 to 1700.0 | 0.0 to 500.0 | ±1.75 (±0.11%) | ±0.44 (±260 ppm/°C) |
| 500.0 to 1200.0 | ±2.5 (±0.15%) | ||||
| 1200.0 to 1700.0 | |||||
| 12 | S | 0.0 to 1700.0 | 0.0 to 600.0 | ±2.5 (±0.15%) | ±0.44 (±260 ppm/°C) |
| 600.0 to 1100.0 | |||||
| 1100.0 to 1700.0 | |||||
| 13 | B | 0.0 to 1800.0 | 0.0 to 400.0 | Reference accuracy cannot be guaranteed | Reference accuracy cannot be guaranteed |
| 400.0 to 1200.0 | ±3.6 (±0.2%) | ±0.45 (±250 ppm/°C) | |||
| 1200.0 to 1800.0 | ±5.0 (±0.28%) | ±0.54 (±300 ppm/°C) | |||
| 14 | C/W | 0.0 to 2300.0 | 0.0 to 300.0 | ±1.15 (±0.05%) | ±0.46 (±200 ppm/°C) |
| 300.0 to 800.0 | ±2.3 (±0.1%) | ||||
| 800.0 to 1500.0 | ±3.0 (±0.13%) | ||||
| 1500.0 to 2300.0 | ±0.691 (±300 ppm/°C) | ||||
| 15 | PL II | 0.0 to 1300.0 | 0.0 to 400.0 | ±1.3 (±0.1%) | ±0.23 (±200 ppm/°C) |
| 400.0 to 800.0 | ±2.0 (±0.15%) | ±0.39 (±300 ppm/°C | |||
| 800.0 to 1300.0 | ±0.65 (±500 ppm/°C) | ||||
| Set values | Input type | Reference accuracy (%) | Temperature coefficient (ppm/°C) | |
|---|---|---|---|---|
| Sensor | Input range | |||
| 16 | Analog current | 4 to 20 mA | 0.1 | 340 ppm/°C |
| 17 | Analog current | 0 to 20 mA | 0.1 | 340 ppm/°C |
| 18 | Analog voltage | 1 to 5 V | 0.1 | 340 ppm/°C |
| 19 | Analog voltage | 0 to 5 V | 0.1 | 340 ppm/°C |
| 20 | Analog voltage | 0 to 10 V | 0.1 | 340 ppm/°C |
*1. An error for a measured value when the ambient temperature changes by 1°C.
The following formula is used to calculate the error of the measured value for thermocouple inputs..
Overall accuracy = Reference accuracy + Temperature characteristic x Change in the ambient temperature + Cold junction compensation error For resistance thermometer inputs, there is no cold junction compensation error. (Calculation example)
| Item | Description |
|---|---|
| Ambient temperature | 30°C |
| Measured value | 100.0°C |
| Thermocouple | K (4) |
| Reference accuracy 25°C | -200.0 to 1,300.0: ±1.5°C |
| Item | Description |
|---|---|
| Reference accuracy | 30°C |
| Temperature coefficient | -100.0 to 400.0°C: ±0.30°C/°C |
| Change in the ambient temperature | 25°C -> 30°C 5 deg |
| Cold junction compensation error | ±1.2°C |
Therefore,
Overall accuracy = Reference accuracy + Temperature characteristic x Change in the ambient temperature +
Cold junction compensation error
= ±1.5°C +(±0.30°C/°C) x 5 deg + ±1.2°C
= ±4.2°C
Then the overall accuracy is ±4.2°C.
*2. The ppm value is for the full scale of the temperature range.
The cold junction compensation error for thermocouple inputs is as follows.
The cold junction compensation error is ±1.2°C.
However, there are exceptions depending on the input type and temperature. Those conditions and the cold junction compensation error are as in the table below.
| Input type and temperature range | Cold junction compensation error |
|---|---|
| T below -90°C | ±3.0°C |
| J, E, K and N below -100°C | |
| U, L and PLII | |
| R and S below 200°C | |
| B below 400°C | Not guaranteed |
| C/W | ±3.0°C |
Install the cold junction sensor and its mounted Connector-Terminal Block Conversion Unit far enough away from any heat-generating elements.
Otherwise, the heat from those elements increases the cold junction compensation error.
last update: April 24, 2023