Page top

Industrial Automation

Industrial Automation

E5CD-H

Digital Temperature Controller (48 x 48 mm)

E5CD-H

High resolution and high precision input are available. 0.01°C display. Equipped with functions specialized for the digital industry. Push-In Plus terminal blocks reduce wiring work.

(Unit: mm)

Controllers

E5CD-H

E5CD-H Dimensions 2

The Setup Tool port is on the top of the Digital Temperature Controller.
It is used to connect the Digital Temperature Controller to the computer to use the Setup Tool.
The E58-CIFQ2 USB-Serial Conversion Cable is required to make the connection.
Refer to the instructions that are provided with the USB-Serial Conversion Cable for the connection procedure.

Note: Do not leave the USB-Serial Conversion Cable connected when you use the Temperature Controller.

E5CD-H Dimensions 3

• Recommended panel thickness is 1 to 5 mm.
• Group mounting is not possible in the vertical direction. (Maintain the specified mounting space between Controllers.)
• To mount the Controller so that it is waterproof, insert the waterproof packing onto the Controller.
• When two or more Controllers are mounted, make sure that the surrounding temperature does not exceed the allowable operating temperature specified in the specifications.
• Use a control panel thickness of 1 to 3 mm if the Y92A-48N and a USB-Serial Conversion Cable are used together.
• Use a control panel thickness of 1 to 3 mm if the Y92S-P8 and a USB-Serial Conversion Cable are used together.

Accessories (Order Separately)

USB-Serial Conversion Cable

E58-CIFQ2

E5CD-H Dimensions 5

Waterproof Packing

Y92S-P8 (for DIN 48 × 48)

E5CD-H Dimensions 7

The Waterproof Packing is provided with the Digital Temperature Controller.
Order the Waterproof Packing separately if it becomes lost or damaged.
The Waterproof Packing can be used to achieve an IP66 degree of protection.
(Deterioration, shrinking, or hardening of the waterproof packing may occur depending on the operating environment. Therefore, periodic replacement is recommended to ensure the level of waterproofing specified in IP66. The time for periodic replacement depends on the operating environment.
Be sure to confirm this point at your site. Consider three years as rough standard.)

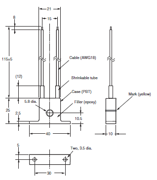
Current Transformers

E54-CT1

E5CD-H Dimensions 9

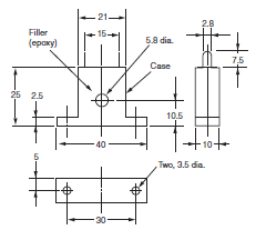
E54-CT1L

E5CD-H Dimensions 10

Thru-current (Io) vs. Output Voltage (Eo)
(Reference Values)
E54-CT1 or E54-CT1L

Maximum continuous heater current: 50 A (50/60 Hz)
Number of windings: 400±2
Winding resistance: 18±2 Ω

E5CD-H Dimensions 12

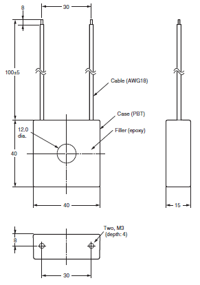
E54-CT3

E5CD-H Dimensions 13

E54-CT3 Accessories

E5CD-H Dimensions 14

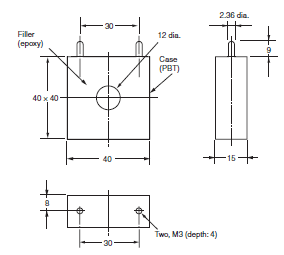
E54-CT3L

E5CD-H Dimensions 15

Thru-current (Io) vs. Output Voltage (Eo)
(Reference Values)
E54-CT3 or E54-CT3L

Maximum continuous heater current: 120 A (50/60 Hz)
Maximum continuous heater current for an OMRON Digital Temperature Controller is 50 A.)
Number of windings: 400±2
Winding resistance: 8±0.8 Ω

E5CD-H Dimensions 17

Adapter

Y92F-45

Note:
1. Use this Adapter when the Front Panel has already been prepared for the E5B[].
2. Only black is available.
3. You cannot use the E58-CIFQ2 USB-Serial Conversion Cable if you use the Y92F-45 Adapter. To use the USB-Serial
Conversion Cable to make the settings, do so before you mount the Digital Temperature Controller in the panel.
4. You cannot use it together with the Y92F-49 Adapter that is enclosed with the Controller.

E5CD-H Dimensions 19

Mounting Example

E5CD-H Dimensions 20

Waterproof Cover

Y92A-48N

E5CD-H Dimensions 21

Mounting Adapter

Y92F-49

E5CD-H Dimensions 23

The Mounting Adapter is provided with the Digital Temperature Controller.
Order this Adapter separately if it becomes lost or damaged.

Front Cover

Y92A-48D

Note: This Front Cover cannot be used if the Waterproof Packing is installed.

E5CD-H Dimensions 26

This Front Cover is soft type. It is able to operate the controller with using this cover.

Front Cover

Y92A-48H

E5CD-H Dimensions 28

This Front Cover is hard type. Please use it for the mis-operation prevention etc.