Page top

Industrial Automation

Industrial Automation

S8AS2

Smart Power Supply (240/480 W)

S8AS2

Inheriting tripping performance with the renewal, while renewing Efficiency, size, and design.

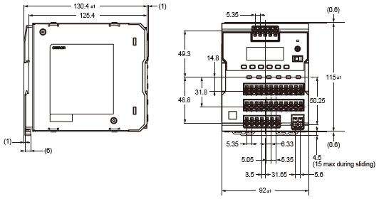
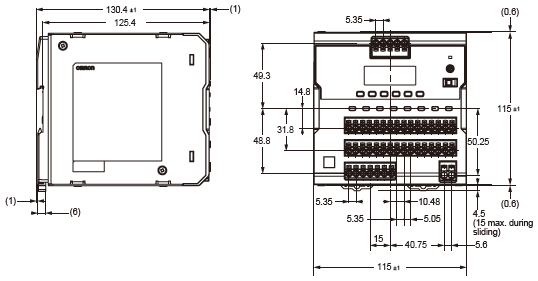
(Unit: mm)

240 W 6 branch outputs

S8AS2-24024-06[]

S8AS2 Dimensions 2

480 W 8 branch outputs

S8AS2-48024-08[]

S8AS2 Dimensions 4

Rain Mounting (order separately)

Support rail (Material: Aluminum)

PFP-100N
PFP-50N

S8AS2 Dimensions 7

Support rail (Material: Aluminum)

PFP-100N2

S8AS2 Dimensions 9

End Plate

PFP-M

S8AS2 Dimensions 11