Page top

Industrial Automation

Industrial Automation

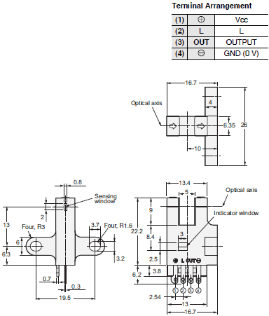
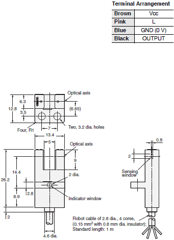
EE-SX47 / SX67

Slot-type Photomicrosensor with connector or pre-wired models (Non-modulated)*1

EE-SX47 / SX67

Global Standard Slot-type photomicrosensors with 50- to 100-mA direct switching capacity.

(Unit: mm)

Tolerance class IT16 applies to dimensions in this datasheet unless otherwise specified.

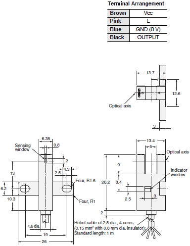
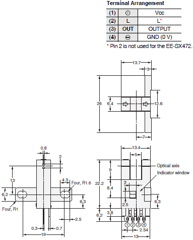
Sensors

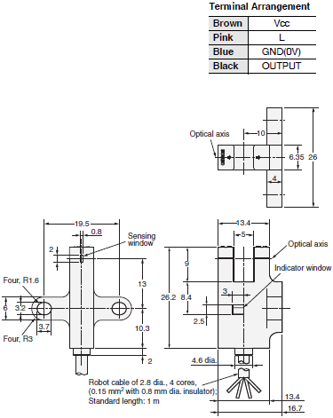
EE-SX670/670P
EE-SX670A/670R
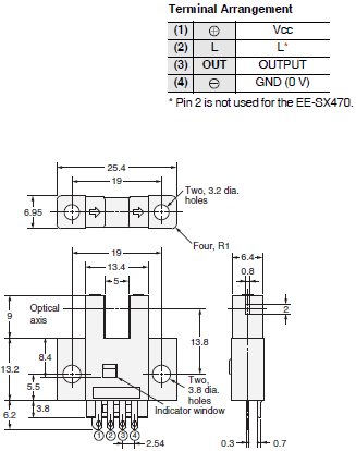
EE-SX470

EE-SX47 / SX67 Dimensions 3

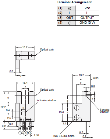
EE-SX671/671P
EE-SX671A/671R
EE-SX471

EE-SX47 / SX67 Dimensions 4

EE-SX672/672P
EE-SX672A/672R
EE-SX472

EE-SX47 / SX67 Dimensions 5

EE-SX673/673P
EE-SX673A/673R
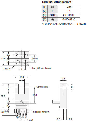
EE-SX473

EE-SX47 / SX67 Dimensions 6

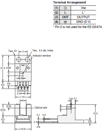
EE-SX674/674P
EE-SX674A/674R
EE-SX474

EE-SX47 / SX67 Dimensions 7

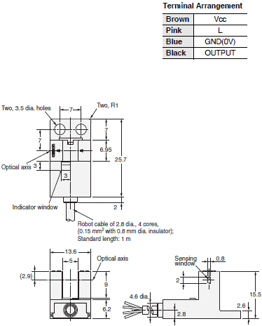
EE-SX675/675P

EE-SX47 / SX67 Dimensions 8

EE-SX676/676P

EE-SX47 / SX67 Dimensions 9

EE-SX677/677P

EE-SX47 / SX67 Dimensions 10

EE-SX670-WR/670P-WR

EE-SX47 / SX67 Dimensions 11

EE-SX671-WR/671P-WR

EE-SX47 / SX67 Dimensions 12

EE-SX672-WR/672P-WR

EE-SX47 / SX67 Dimensions 13

EE-SX673-WR/673P-WR

EE-SX47 / SX67 Dimensions 14

EE-SX674-WR/674P-WR

EE-SX47 / SX67 Dimensions 15

EE-SX675-WR/675P-WR

EE-SX47 / SX67 Dimensions 16

EE-SX676-WR/676P-WR

EE-SX47 / SX67 Dimensions 17

EE-SX677-WR/677P-WR

EE-SX47 / SX67 Dimensions 18