Page top

Industrial Automation

Industrial Automation

EE-SPX-W

Slot-type Photomicrosensor with Cable

EE-SPX-W

Photomicrosensor with built-in amplifier and attached cable reduces external light interference.

(Unit: mm)

Tolerance class IT16 applies to dimensions in this datasheet unless otherwise specified.

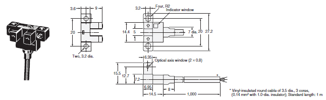
EE-SPX302-W2A
EE-SPX402-W2A

EE-SPX-W Dimensions 2

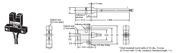
EE-SPX304-W2A
EE-SPX404-W2A

EE-SPX-W Dimensions 3

EE-SPX306-W2A
EE-SPX406-W2A

EE-SPX-W Dimensions 4

EE-SPX305-W2A
EE-SPX405-W2A

EE-SPX-W Dimensions 5