Page top

Industrial Automation

Industrial Automation

Discontinued On Sep. 2023

NL

Limit Touch Switch

NL

Object Actuates Switch and Turns Built-in Monitor Indicator ON

* Information in this page is a reference that you created on the basis of information in the product catalog before the end of production, may be different from the current situation, such as goods for / supported standards options / price / features of the product. Before using, please check the compatibility and safety system.

(Unit: mm)

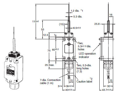
Built-in Antenna Models

Coil Spring
NL1-C
NL2-C
NL3-C

NL Dimensions 2

*1. The coil spring antenna is movable in any direction. Make sure that the angle of the antenna is within 30° to the FP
       (free position) after the antenna comes into contact with the object.
*2. Use after removing the caution label.
Note: 1. The force that pushes the actuator must not exceed 1.96 N.
           2. The antenna is replaceable. Contact your OMRON representative for details.

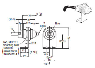
Plunger
NL1-P
NL2-P
NL3-P

NL Dimensions 3

*1. The stainless-steel plunger antenna allows a maximum OT (overtravel) of 5 mm.
*2. This position is the FP (free position) of the plunger.
*3. Use after removing the caution label.
Note: Do not apply a force greater than 9.8 N to the plunger.

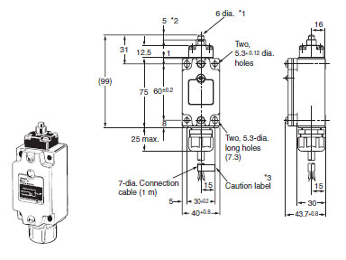
Separated Antenna Models

The dimensions provided for the NL1-SP, NL2-SP, NL1-SC, and NL2-SC are the external dimensions for the antennas. The casing dimensions of these models are all the same as those for the coil spring or plunger models.

No Antenna
NL1-S
NL2-S

NL Dimensions 5

*1. A standard 3-m high-frequency coaxial cable is provided.
*2. Use after removing the caution label.
Note: 1. Make sure that the shape of the antenna is suitable to the application.
              Use the plunger antenna or coil spring antenna as shown right for the NL1-S or NL2-S.
           2. Do not cut or extend the connecting cable.

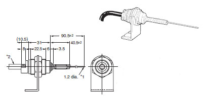
Plunger Antenna
NL1-SP
NL2-SP

NL Dimensions 6

*1. The stainless-steel plunger antenna allows a maximum OT (overtravel) of 5 mm.
*2. This position is the FP (free position) of the plunger.
*3. A standard 3-m high-frequency coaxial cable is provided.
Note: 1. Do not apply a force greater than 9.8 N to the plunger.
           2. Do not cut or extend the connecting cable.

Coil Spring Antenna
NL1-SC
NL2-SC

NL Dimensions 7

*1. The coil spring antenna is movable in any direction. Make sure that the angle of the antenna is within 30° to the FP
       (free position) after the antenna comes into contact with the object.
*2. A standard 3-m high-frequency coaxial cable is provided.
Note: 1. Do not cut or extend the connecting cable.
           2. The antenna is replaceable. Contact your OMRON representative for details.

Note: Unless otherwise specified, a tolerance of ±0.4 mm applies to all dimensions.