Common Sockets
last update: May 22, 2023
(Unit: mm)
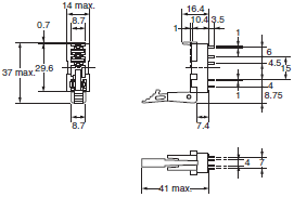
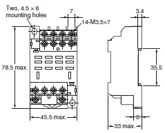
P2RFZ-05-E (One Pole)
(Finger Protection Structure)
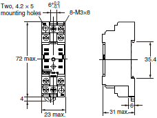
P2RFZ-08-E (Two Poles)
(Finger Protection Structure)
Note: If an I/O SSR or Indicator Module is used, the polarity of terminal 1 is negative.
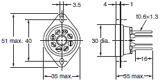
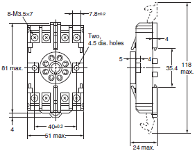
P2R-05P (One Pole)
P2R-08P (Two Poles)
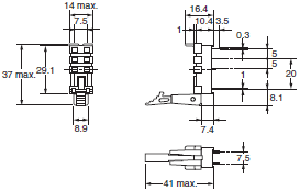
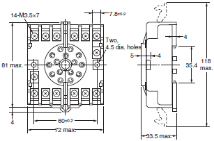
P2R-057P (One Pole)
P2R-087P (Two Poles)
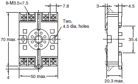
P2R-05A (One Pole)
P2R-08A (Two Poles)
Note: If an I/O SSR or Indicator Module is used, the polarity of terminal 1 is negative.
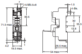
P7TF-05
Note: If an I/O SSR or Indicator Module is used, the polarity of terminal 1 is positive.
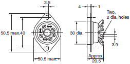
PYF08M
PYF11A
PY08
PY08-Y1 (L = 42 max.)
PY08-Y13 (L = 60 max.)
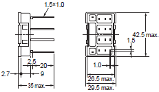
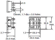
PY08QN
PY08QN2
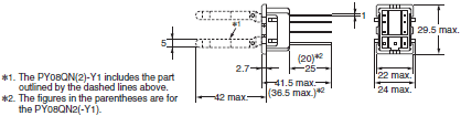
PY08QN-Y1
PY08QN2-Y1
PY08-02
PY11
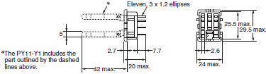
PY11-Y1
PY11QN
PY11QN2
PY11QN-Y1
PY11QN2-Y1
PY11-02
PY14
PY14-Y1 (L = 42 max.)
PY14-Y3 (L = 60 max. )
PY14QN
PY14QN2
PY14QN-Y1 (L = 42 max.)
PY14QN2-Y1 (L = 42 max.)
PY14QN-Y3 (L = 60 max.)
PY14QN2-Y3 (L = 60 max.)
PY14-02
PTF08A
PTF11A
PTF14A
PT08
PT08QN
PT08-0
PT11
PT11QN
PT11-0
PT14
PT14QN
PT14-0
Note: Use a panel with a thickness of 1 to 2 mm when mounting a Socket on it.
P7LF-06
PF083A
PF083A-E
PF085A
PF113A
PF113A-E
P2CF-08
P2CF-08-E
P2CF-11
P2CF-11-E
8PFA
8PFA1
11PFA
14PFA
P3G-08
P3GA-11
Y92A-48G
PL08
PL08-Q
PLE08-0
PL11
PL11-Q
PLE11-0
PL15
PL20
Note: When mounting, pay due attention to the direction of the key groove of applicable Relays.
last update: May 22, 2023