Page top

Industrial Automation

Industrial Automation

G7TC

I/O Relay Terminal

G7TC

Single Cable Connection to PLC Means Space is Saved and Less Control Panel Wiring is Required.

(Unit: mm)

I/O Relay Terminal

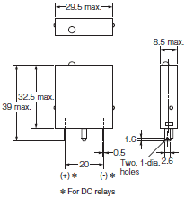
G7TC-ID16
G7TC-IA16

G7TC Dimensions 1

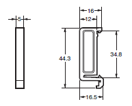
G7TC-OC16
G7TC-OC16-1

G7TC Dimensions 2

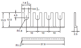
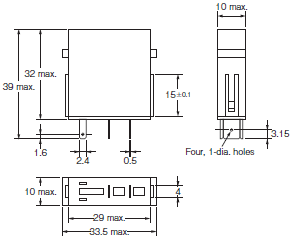
G7TC-OC08

G7TC Dimensions 3

Accessories (Order Separately)

Short Bar

G78-04
Use this piece for short-circuiting across terminals.
Max. current flow: 20 A

G7TC Dimensions 5

Output Short-Circuit Module

G77-S
The output of the I/O Relay Terminal can be obtained without relays through the G77-S Output Short-Circuit Module.
Note that the G77-S Output Short-Circuit Module is not available for inputs.

G7TC Dimensions 6

Socket

P7TF-05
The G7T (SPST-NO, SPST-NC, and SPDT types) and the G3TA I/O Relays can be mounted on the P7TF-05 Socket.
The P7TF-05 can be used for applications involving sequences that require slim relays, or to enable use of SPDT relays with the I/O Relay Terminal. To use part of the I/O Relay Terminal with SPDT specifications, insert an Output Short-Circuit Module into the I/O Relay Terminal, and use the P7TF-05 Socket in combination with an SPDT Relay for the Module’s output.

G7TC Dimensions 7

Indicator Module (With Surge Suppressing Function)

P70[]
Remove the transparent style strip of the P7TF-05 socket and mount this module and it will function as an operation indicator with the surge suppression.

G7TC Dimensions 8

Parts for Rail Mounting

DIN Track
PFP-100N
PFP-50N

G7TC Dimensions 10

End Plate
PFP-M

G7TC Dimensions 11

Spacer
PFP-S

G7TC Dimensions 12