Page top

Industrial Automation

Industrial Automation

G70A

I/O Terminal Socket

G70A

16-point I/O Terminal Socket accepts Various Devices such as G2R Relays, Solid State Relays, and Timers for More System Flexibility.

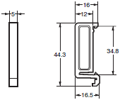
(Unit: mm)

G70A-ZOC16 (Output)

G70A Dimensions 1

Short Bar

G78-16-E

G70A Dimensions 2

Parts for Rail Mounting

DIN Track

PFP-100N
PFP-50N

G70A Dimensions 4

End Plate

PFP-M

G70A Dimensions 5

Spacer

PFP-S

G70A Dimensions 6