Page top

Industrial Automation

Industrial Automation

MY

Miniature Power Relays

MY

Best-selling, general-purpose relays that can be selected based on operating environment and application

(Unit: mm)

MY Miniature Power Relays

Plug-in terminals

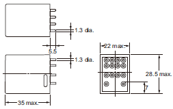
MY2, MY2N, MY2-D and MY2N-D2
MY2-CR, MY2N-CR

MY Dimensions 2

MY2Z, MY2ZN, MY2Z-D and MY2ZN-D2
MY2Z-CR, MY2ZN-CR

MY Dimensions 3

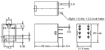
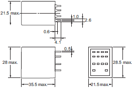
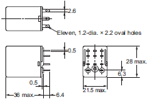
MY3, M Y3N, MY3-D, and MY3N-D2

MY Dimensions 4

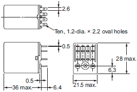
MY4, MY4N, MY4-D and MY4N-D2
MY4-CR, MY4N-CR

MY Dimensions 5

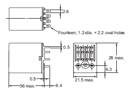
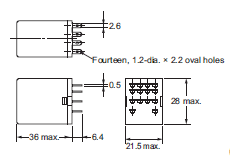
MY4Z, MY4ZN, MY4Z-D, MY4ZN-D2
MY4Z-CR, MY4ZN-CR

MY Dimensions 6

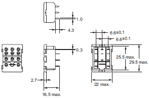
MY2IN(S)
MY2IN-D2(S)

MY Dimensions 7

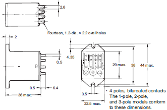
MY(Z)IN(S)
MY4(Z)IN-D2(S)
MY4(Z)IN-CR(S)

MY Dimensions 8

MY4Z-CBG
MY4ZN-CBG

MY Dimensions 9

PCB terminals

MY2-02
MY3-02
MY4-02
MY4Z-02

MY Dimensions 10

Case-surface mounting

MY2F
MY3F
MY4F
MY4ZF

MY Dimensions 11

MYK Miniature Power Latching Relays

Plug-in terminals

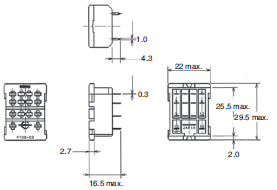
MY2K

MY Dimensions 14

PCB terminals

MY2K-02

MY Dimensions 16

MYQ/MYH Miniature Power Sealed Relays

Plug-in terminals

Plastic Sealed Relays

MYQ4(Z)(N)

MY Dimensions 19

Hermetically Sealed Relays

MY4(Z)H

MY Dimensions 20

PCB terminals

Plastic Sealed Relays

MYQ4(Z)-02

MY Dimensions 22

Hermetically Sealed Relays

MY4(Z)H-0

MY Dimensions 23

Common Options (Order Separately)

Height with Socket

Front-connecting Sockets

Push-In Plus Terminal (PYF-[]-PU)

MY Dimensions 27

Screwless terminal (PYF08S, PYF14S)

MY Dimensions 28

Screw terminal (PYFZ-[](-E), PYF11A, PYF14T, PYF08M)

MY Dimensions 29

Back-connecting Sockets

Solder terminals/wrapping terminals (PY[])

MY Dimensions 31

PCB terminals (PY[]-02)

MY Dimensions 32

Front-connecting Sockets

Push-In Plus Terminal

PYF-08-PU(-L)

MY Dimensions 35

* The PYF-08-PU-L Sockets do not have release levers.

PYF-14-PU(-L)

MY Dimensions 36

* The PYF-14-PU-L Sockets do not have release levers.

Screwless terminal

PYF08S

MY Dimensions 38

PYF14S

MY Dimensions 39

Front-connecting Sockets

Screw terminal

PYFZ-08

MY Dimensions 42

PYFZ-08-E (Finger-protection structure)

MY Dimensions 43

PYF08M

MY Dimensions 44

PYF11A

MY Dimensions 45

PYFZ-14

MY Dimensions 46

PYFZ-14-E (Finger-protection structure)

MY Dimensions 47

PYF14T

MY Dimensions 48

Back-connecting Socket

Solder terminals

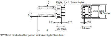
PY08
PY08-Y1 (L = 42 max.)
PY08-Y3 (L = 60 max.)

MY Dimensions 51

PY11
PY11-Y1

MY Dimensions 52

PY14
PY14-Y1 (L = 42 max.)
PY14-Y3 (L = 60 max.)

MY Dimensions 53

Wrapping terminals

PY08QN
PY08QN2
PY08QN-Y1
PY08QN2-Y1

MY Dimensions 55

PY11QN
PY11QN2
PY11QN-Y1
PY11QN2-Y1

MY Dimensions 56

PY14QN/PY14QN2
PY14QN-Y1 (L = 42 max.)
PY14QN2-Y1 (L = 42 max.)
PY14QN-Y3 (L = 60 max.)
PY14QN2-Y3 (L = 60 max.)

MY Dimensions 57

PCB terminals

PY08-02

MY Dimensions 59

• This is not a flux-tight structure. We recommend manual soldering for this product.

PY11-02

MY Dimensions 60

• This is not a flux-tight structure. We recommend manual soldering for this product.

PY14-02

MY Dimensions 61

• This is not a flux-tight structure. We recommend manual soldering for this product.

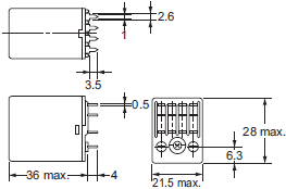
Socket Accessories

Hold-down Clip

PYC-A1 1 set (2 pcs.)

MY Dimensions 64

PYC-E1 1 set (2 pcs.)

MY Dimensions 65

PYC-P

MY Dimensions 66

PYC-S 1 set (2 pcs.)

MY Dimensions 67

Y92H-3 1 set (2 pcs.)

MY Dimensions 68

PYC-1

MY Dimensions 69

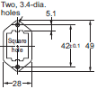
Socket Mounting Plates

PYP-1

MY Dimensions 71

PYP-18

MY Dimensions 72

PYP-36

MY Dimensions 73

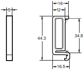
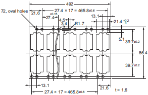
Accessories for DIN Track Mounting

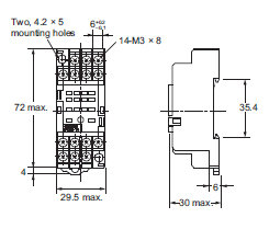
DIN Tracks

PFP-100N
PFP-50N

MY Dimensions 75

End Plate

PFP-M

MY Dimensions 76

Spacer

PFP-S

MY Dimensions 77