Page top

Industrial Automation

Industrial Automation

LY

Bi-power Relays

LY

Power-switching Compact General-purpose Relays

(Unit: mm)

Plug-in Terminals

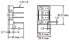
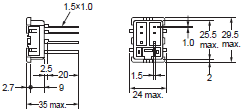
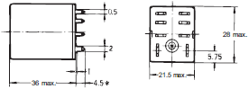
LY1
LY1N
LY1-D
LY1N-D2

LY Dimensions 2

LY2, LY2-D
LY2Z, LY2Z-D
LY2N, LY2N-D2
LY2ZN, LY2ZN-D2

LY Dimensions 3

LY3
LY3N
LY3-D
LY3N-D2

LY Dimensions 4

LY4
LY4N
LY4-D
LY4N-D2

LY Dimensions 5

LY2-CR
LY2Z-CR
LY2N-CR
LY2ZN-CR

LY Dimensions 6

* These dimensions are for the LY2N-CR.

Relays with PCB Terminals

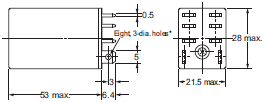
LY1-0, LY3-0, LY2-0, and LY4-0

LY Dimensions 9

Note: The dimensions depicted here are for the LY2-0.
           The dimension with an asterisk (*) is 6.4 for the LY1-0.

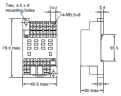
Case-surface mounting

LY1F
LY2F
LY2ZF

LY Dimensions 11

Note: The figures and dimensions depicted here are for the LY1F. The LY2F and LY2ZF also conform to these measurements.

LY3F

LY Dimensions 13

LY4F

LY Dimensions 14

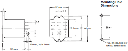
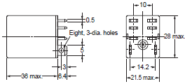
Connection Sockets

PTF-08-PU(-L)

LY Dimensions 16

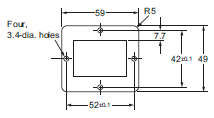
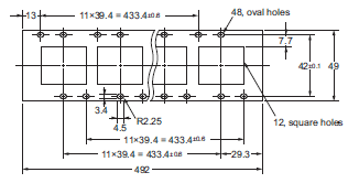
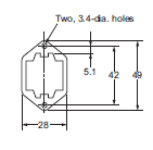
Mounting Hole Dimensions

LY Dimensions 17

PTF08A

LY Dimensions 18

PTFZ-08-E (Finger Protection Structure)

LY Dimensions 19

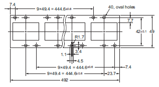
Mounting Hole Dimensions

LY Dimensions 20

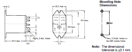
PTF11A

LY Dimensions 21

Mounting Hole Dimensions

LY Dimensions 22

PTF-14-PU-L

LY Dimensions 23

Mounting Hole Dimensions

LY Dimensions 24

PTF14A

LY Dimensions 25

PTFZ-14-E (Finger Protection Structure)

LY Dimensions 26

Mounting Hole Dimensions

LY Dimensions 27

Note: If you use the PTF-08-PU, PTF-08-PU-L, PTF08A, PTFZ-08-E, or PT08 with an LY1 Relay, connect the following
         terminal pairs: 1-2, 3-4, and 5-6 (for usage at 10 A or higher).

PT08

LY Dimensions 29

PT08QN

LY Dimensions 30

Mounting hole and PCB dimensions

LY Dimensions 31

PT08-0

LY Dimensions 32

Mounting hole and PCB dimensions

LY Dimensions 33

PT11

LY Dimensions 34

PT11QN

LY Dimensions 35

Mounting hole and PCB dimensions

LY Dimensions 36

PT11-0

LY Dimensions 37

Mounting hole and PCB dimensions

LY Dimensions 38

PT14

LY Dimensions 39

PT14QN

LY Dimensions 40

Mounting hole and PCB dimensions

LY Dimensions 41

PT14-0

LY Dimensions 42

Mounting hole and PCB dimensions

LY Dimensions 43

Note: Use a panel with a thickness of 1 to 2 mm when mounting a Socket on it.

Hold-down Clips

PYC-A1

Approx. 0.54 g (per clip)
One Set (2 Clips)

LY Dimensions 46

PYC-P

Approx. 1.4 g

LY Dimensions 47

PYC-S

Approx. 1.8 g

LY Dimensions 48

Y92H-3

Approx. 0.7 g (per clip)
One Set (2 Clips)

LY Dimensions 49

PYC-1

Approx. 6 g

LY Dimensions 50

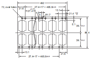
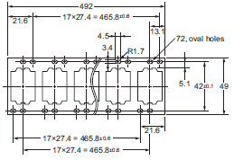
Socket Mounting Plates (t = 1.6)

OMRON can provide Socket Mounting Plate for convenient Socket installation. Please use these Plates as required.

LY Dimensions 51

PYP-1

LY Dimensions 52

PYP-18

LY Dimensions 53

PYP-36

LY Dimensions 54

PTP-1-3

LY Dimensions 55

PTP-12

LY Dimensions 56

PTP-1

LY Dimensions 57

PTP-10

LY Dimensions 58

Mounting Height with Sockets

LY Dimensions 59